Вопросы по установке сигнализации
Модератор: Randall
- Alexey
- Мега-классиковод

- Сообщения: 504
- Зарегистрирован: Ср фев 11, 2009 11:09:43
- Модель авто: ВАЗ 21041 2006г.
- Откуда: Волгоградская обл. г. Камышин
- Благодарил (а): 3 раза
- Поблагодарили: 2 раза
- Контактная информация:
Вопросы по установке сигнализации
При установке сигнализации томагавк 7010 (руководство http://www.autoelectric.ru/autoalarm/to ... tw7010.htm) в ниву, возникли. В электрике не понимаю, а сделать надо.Прошу помощи...
1. на схеме 1, куда подключить желтый провод на замок зажигание, (к проводу какого цвета?)
2 Куда подключить сине -красный и сине-черный (прям носом ткните, если можно)
3 Как подключить провода открывания дверей (синий и зеленый в вариациях) Просто напрямую к активаатору + и - можно?
4 Зелено- черный и зелено- желтый их можно подключить вместо габаритов к поворотам? Чтобы при открытии/закрытии моргали. Если можно то куда.
Всем заранее спасибо.
Да и поиском уже пользовался, ничего нужного не нашел
1. на схеме 1, куда подключить желтый провод на замок зажигание, (к проводу какого цвета?)
2 Куда подключить сине -красный и сине-черный (прям носом ткните, если можно)
3 Как подключить провода открывания дверей (синий и зеленый в вариациях) Просто напрямую к активаатору + и - можно?
4 Зелено- черный и зелено- желтый их можно подключить вместо габаритов к поворотам? Чтобы при открытии/закрытии моргали. Если можно то куда.
Всем заранее спасибо.
Да и поиском уже пользовался, ничего нужного не нашел
-
BORODA
- Модератор

- Сообщения: 2851
- Зарегистрирован: Ср июл 28, 2010 17:22:14
- Модель авто: ВАЗ 2107 (Электропакет)
- Тип двигателя: Инжекторный
- Откуда: Сыктывкар
- Благодарил (а): 103 раза
- Поблагодарили: 371 раз
Re: Вопросы по установке сигнализации
Что-то не отвечают сигнализаторщики, попробую ответить. Появляющийся плюс замка- провод голубого цвета. Сине-кр. никуда не подключать, син-чёрный на концевик двери протянуть и подключить к нему, если по простому. Синий и зелёный прямо на активатор. Зел-ж. и зел-ч. можно к поворотам. За щитком приборов разъём, который из рулевой колонки выходит, их там три, самый большой. На его противоположных сторонах выходят сдвоенные провода синего и сине-чёрного цвета, это и есть повороты. Удачи! 
- Randall
- Модератор

- Сообщения: 12462
- Зарегистрирован: Пт сен 11, 2009 11:38:34
- Модель авто: Ford Fusion 2011г.в., 1596к.см., 16V, МКПП-5.
- Тип двигателя: Инжекторный
- Откуда: Донецк!!! Передовая.
- Благодарил (а): 373 раза
- Поблагодарили: 960 раз
- Контактная информация:
Re: Вопросы по установке сигнализации
Вывод №15 замка зажигания - цвет уточни в схеме Нивы...Alexey писал(а):1. на схеме 1, куда подключить желтый провод на замок зажигание, (к проводу какого цвета?)
Сине-черный - к концевикам дверей. Это сигнал для сиги, что открыта дверь. Тупо вешается на провод от концевика - они (все 4) запараллелены. В 2105 это белый провод с черной полосой, в Ниве - хз. Провод идет на все 4 концевика и на салонные лампы - покури схему.Alexey писал(а):2 Куда подключить сине -красный и сине-черный (прям носом ткните, если можно)
сине-красный никуда не цеплять.
В ссылке, что ты дал ищи раздел "Схемы подключения". Вот там "Схема №2" - твоя. Все расписано дальше некуда.Alexey писал(а):3 Как подключить провода открывания дверей (синий и зеленый в вариациях) Просто напрямую к активаатору + и - можно?
Да, можно. Один к левым поворотникам, другой - к правым. Сине-черный и синий провода соответственно по схеме 21053 (на сайте которая) - у Нивы сравни цвета по схеме.Alexey писал(а):4 Зелено- черный и зелено- желтый их можно подключить вместо габаритов к поворотам? Чтобы при открытии/закрытии моргали. Если можно то куда.
-
Vadim 77
- Отец русского классиководства

- Сообщения: 2910
- Зарегистрирован: Пн июн 30, 2008 19:06:50
- Модель авто: 1)DAEWOO MATIZ MX двиг.0,8, МКПП 2003 г.в. 2)DAEWOO NEXIA ГУР, Конд., 2012 г.в.
- Тип двигателя: Инжекторный
- Откуда: Москва, СВАО
- Благодарил (а): 21 раз
- Поблагодарили: 20 раз
Re: Вопросы по установке сигнализации
Вопрос - попросил меня товарищ на инку б/у поставить сигнализацию Аллигатор 425. Все есть схема есть. Сигналка нужна только чтоб двери открывать с брелка т.е. охранные ф-ии, сирена и т.д. ненужны. И посему он просил меня лишних "соплей" не делать. ВОПРОС - если я кину желтый провод (+ с замка зажигания) на постоянный + чем это черевато? Просто он меня просил по максимуму сделать установку простой...
- TechnoMCJ
- Коренной форумчанин :)
- Сообщения: 3981
- Зарегистрирован: Пн авг 24, 2009 6:54:21
- Модель авто: Пыж 407 2L АКПП премиум пак
- Тип двигателя: Инжекторный
- Откуда: пос. Белоозерский МО
- Благодарил (а): 7 раз
- Поблагодарили: 54 раза
Re: Вопросы по установке сигнализации
Vadim 77
Черевато тем, что к примеру на простых сигналках даже двери не закроются -)) поставь как положено ИХМО -))
Черевато тем, что к примеру на простых сигналках даже двери не закроются -)) поставь как положено ИХМО -))
- Молодой
- Стажер

- Сообщения: 17
- Зарегистрирован: Чт май 05, 2011 19:50:21
- Модель авто: "Петрофан" ВАЗ 21053 1999 г.в.; цвет белый, двигатель 2103, р-вал 213, БСЗ; 5-КПП; г.п. 4,1; резина: перед кама 217, зад Cordiant.
- Тип двигателя: Карбюраторный
- Откуда: Белореченск
- Благодарил (а): 1 раз
- Контактная информация:
Re: Вопросы по установке сигнализации
Здравствуйте, товарищ не хочет тратится на сигнализацию. Где то слышал что можно подключить концевики дверей через реле к звуковому сигналу или колоколу сирены, чтоб при открытии дверей звучал звуковой сигнал, то есть сделать массу управляемой. И сделать так чтоб если дверь закрыть сигнал не отключался, а продолжал работать пока сам не отключишь. Возможно ли реализация такого? Если возможно то приведите схему с распиновкой ножек реле. Может реле впихнуть часовое чтоб работал звуковой сигнал некоторое время после закрытия дверей. А тумблер принудительного отключения в укромном месте поставить в багажнике например.
- Shim
- Классиковод со стажем

- Сообщения: 376
- Зарегистрирован: Ср окт 21, 2009 14:21:43
- Модель авто: ВАЗ 21074 2005 г.в. двигатель 1,6 БСЗ
- Тип двигателя: Карбюраторный
- Откуда: Брянск
- Благодарил (а): 11 раз
- Поблагодарили: 40 раз
- Контактная информация:
Re: Вопросы по установке сигнализации
Но это же каждое открытие дверей будет празднично встречать хозяина воплем сирены или звукового сигналаподключить концевики дверей через реле к звуковому сигналу или колоколу сирены, чтоб при открытии дверей звучал звуковой сигнал
В принципе реализуемо, но одним реле точно не отделаться.И сделать так чтоб если дверь закрыть сигнал не отключался, а продолжал работать пока сам не отключишь.
- Молодой
- Стажер

- Сообщения: 17
- Зарегистрирован: Чт май 05, 2011 19:50:21
- Модель авто: "Петрофан" ВАЗ 21053 1999 г.в.; цвет белый, двигатель 2103, р-вал 213, БСЗ; 5-КПП; г.п. 4,1; резина: перед кама 217, зад Cordiant.
- Тип двигателя: Карбюраторный
- Откуда: Белореченск
- Благодарил (а): 1 раз
- Контактная информация:
Re: Вопросы по установке сигнализации
Пользоваться ею не часто будет, а в багажник тумблер и перед открытием дверей выключать питание. Одно реле обычное четырехконтактное на запуск и какое еще реле поставить временное? чтоб некоторое время работал звуковой сигнал или колокол сирены
- zalex
- Прописан на semerka.info
- Сообщения: 9235
- Зарегистрирован: Ср июл 14, 2010 12:23:48
- Модель авто: Haval Jolion, М.Н.С., 2024 г.в., Магматический красный; Haval F7, Дядя Федор, 2022 г.в., Аквамарин; LADA219470, Ягода в шоколаде, 2020 г.в., – продана.
- Тип двигателя: Инжекторный
- Откуда: г. Елец, 48 rus
- Благодарил (а): 814 раз
- Поблагодарили: 1691 раз
Re: Вопросы по установке сигнализации
эта схема должна работатьМолодой писал(а): И сделать так чтоб если дверь закрыть сигнал не отключался, а продолжал работать пока сам не отключишь. Возможно ли реализация такого?
- Вложения
-
- с.JPG (19.85 КБ) 26495 просмотров
- Молодой
- Стажер

- Сообщения: 17
- Зарегистрирован: Чт май 05, 2011 19:50:21
- Модель авто: "Петрофан" ВАЗ 21053 1999 г.в.; цвет белый, двигатель 2103, р-вал 213, БСЗ; 5-КПП; г.п. 4,1; резина: перед кама 217, зад Cordiant.
- Тип двигателя: Карбюраторный
- Откуда: Белореченск
- Благодарил (а): 1 раз
- Контактная информация:
Re: Вопросы по установке сигнализации
zalex, это с ручным выключением получается да? А может какое реле есть чтоб несколько минут покричал сигнал, то есть реле которое через определенное время само выключится?
- zalex
- Прописан на semerka.info
- Сообщения: 9235
- Зарегистрирован: Ср июл 14, 2010 12:23:48
- Модель авто: Haval Jolion, М.Н.С., 2024 г.в., Магматический красный; Haval F7, Дядя Федор, 2022 г.в., Аквамарин; LADA219470, Ягода в шоколаде, 2020 г.в., – продана.
- Тип двигателя: Инжекторный
- Откуда: г. Елец, 48 rus
- Благодарил (а): 814 раз
- Поблагодарили: 1691 раз
Re: Вопросы по установке сигнализации
Молодой
честно, смысла в этой приблуде вижу мало.
работает тек:
открыл дверь - завопила, будет вопить до тех пор, пока не выключишь кнопку в салоне или не сядет акб хоть закрывай двери, хоть открывай, в кач. кнопки можно поставить геркон и магнитик
честно, смысла в этой приблуде вижу мало.
работает тек:
открыл дверь - завопила, будет вопить до тех пор, пока не выключишь кнопку в салоне или не сядет акб хоть закрывай двери, хоть открывай, в кач. кнопки можно поставить геркон и магнитик
- zalex
- Прописан на semerka.info
- Сообщения: 9235
- Зарегистрирован: Ср июл 14, 2010 12:23:48
- Модель авто: Haval Jolion, М.Н.С., 2024 г.в., Магматический красный; Haval F7, Дядя Федор, 2022 г.в., Аквамарин; LADA219470, Ягода в шоколаде, 2020 г.в., – продана.
- Тип двигателя: Инжекторный
- Откуда: г. Елец, 48 rus
- Благодарил (а): 814 раз
- Поблагодарили: 1691 раз
Re: Вопросы по установке сигнализации
Молодой
еще диодик последовательно с кнопкой включения поставить надо, иначе с открытыми дверями и включенной кнопкой сирена будет вопить в любом случае
еще диодик последовательно с кнопкой включения поставить надо, иначе с открытыми дверями и включенной кнопкой сирена будет вопить в любом случае
- Молодой
- Стажер

- Сообщения: 17
- Зарегистрирован: Чт май 05, 2011 19:50:21
- Модель авто: "Петрофан" ВАЗ 21053 1999 г.в.; цвет белый, двигатель 2103, р-вал 213, БСЗ; 5-КПП; г.п. 4,1; резина: перед кама 217, зад Cordiant.
- Тип двигателя: Карбюраторный
- Откуда: Белореченск
- Благодарил (а): 1 раз
- Контактная информация:
- Andrey94
- Стажер

- Сообщения: 17
- Зарегистрирован: Пн сен 16, 2013 13:48:13
- Модель авто: ВАЗ - 2107, 04 г.в; тонировка, электропривод открытия багажника ВАЗ - 2110, сигнализация
- Тип двигателя: Карбюраторный
- Благодарил (а): 3 раза
Re: Вопросы по установке сигнализации
Ситуация такова, что одна дверь не закрывается с брелока сигнализации, снял карту дверей регулировал эти фишки, отверткой при откручивал болтики и верх-вниз фишку двигал искал так сказать "Золотую середину" фото с интернете
, но не нашел или ловил что с закроется на сигнализацию, но не открыть с брелока не могу! Сигнализация Niteo LX-11
, но не нашел или ловил что с закроется на сигнализацию, но не открыть с брелока не могу! Сигнализация Niteo LX-11- topilsky
- Классиковод со стажем

- Сообщения: 310
- Зарегистрирован: Сб сен 25, 2010 21:13:01
- Модель авто: 2107 инжектор люксовая семерка
- Тип двигателя: Инжекторный
- Откуда: санкт-петербург
- Благодарил (а): 28 раз
- Поблагодарили: 1 раз
Re: Вопросы по установке сигнализации
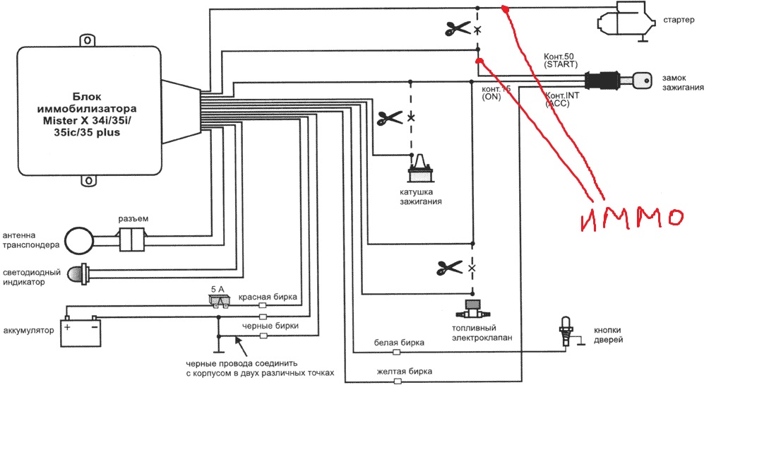
Привет всем! После кражи акб и попытки угона решил поменять сигналку , поставить центр замок на 4 двери, иммобилайзер.
Центральный замок уже установил , подключал , регулировал-все работает. вчера установил иммобилайзер (Mister X 35i) с блокировкой стартера и катушки. теперь буду поставить сигналку Centurion xanadu с обратной связью. У меня вопрос можно ли подключить реле стартера иммобилайзера одновременно с сигнализацией? или как?
Центральный замок уже установил , подключал , регулировал-все работает. вчера установил иммобилайзер (Mister X 35i) с блокировкой стартера и катушки. теперь буду поставить сигналку Centurion xanadu с обратной связью. У меня вопрос можно ли подключить реле стартера иммобилайзера одновременно с сигнализацией? или как?
- Вложения
-
- centurion
- centurion xanadu.jpg (23.17 КБ) 23021 просмотр
- topilsky
- Классиковод со стажем

- Сообщения: 310
- Зарегистрирован: Сб сен 25, 2010 21:13:01
- Модель авто: 2107 инжектор люксовая семерка
- Тип двигателя: Инжекторный
- Откуда: санкт-петербург
- Благодарил (а): 28 раз
- Поблагодарили: 1 раз
Re:
иммобилайзер отключил. буду ставить сигналку. 2 блокировки на одной цепи нежелательно. установщик посоветовал мне.Иван64 писал(а):topilsky, сигналкой что будеш блокировать?
буду блокировать катушку, стартер. а иммобилайзер буду блокировать стоп сигнал, фару, пусть гаи не пропустит за невключение ближних фар.
- bilbo
- Прописан на semerka.info
- Сообщения: 19029
- Зарегистрирован: Сб мар 16, 2013 6:53:20
- Модель авто: ВАЗ 21043, 1992; 1118, 2008
- Тип двигателя: Карбюраторный
- Откуда: Самарская область
- Благодарил (а): 4217 раз
- Поблагодарили: 1224 раза
Re: Вопросы по установке сигнализации
Попробуй иммо в виде стандартного реле.
На цепь стартера что то ставить нет смысла.
- topilsky
- Классиковод со стажем

- Сообщения: 310
- Зарегистрирован: Сб сен 25, 2010 21:13:01
- Модель авто: 2107 инжектор люксовая семерка
- Тип двигателя: Инжекторный
- Откуда: санкт-петербург
- Благодарил (а): 28 раз
- Поблагодарили: 1 раз
Re: Вопросы по установке сигнализации
Мож подробнее?bilbo писал(а):
Попробуй иммо в виде стандартного реле.
На цепь стартера что то ставить нет смысла.
Кто сейчас на конференции
Сейчас этот форум просматривают: нет зарегистрированных пользователей и 21 гость

