Установка ЭСП Катран
Итак, я созрел на ЭСП В субботу утром был куплен комплект ЭСП "Катран" для 2105-2107 и началась установка. Несколько слов о самом ЭСП. Он представляет собой подъемник ножничного типа. Вся конструкция, кроме корпуса мотора, металлическая и производит впечатление довольно прочной. В комплекте идет: - 2 ЭСП для левой и правой передних дверей; - две кнопки опускания-поднимания стекол; - жгут проводов с разъемами для кнопок и моторов; - набор болтов, гаек и шайб, понадобящихся при установке; - две заглушки на панели дверей, закрывающие дырки от ручек стеклоподъемников; Кнопки в родной комплектации предназначены для установки где-то примерно посередине торпеды (возможно, в бороду). Это видно из длины проводов между разъемами кнопок и моторов. Кроме того, кнопки всего две, то есть они устанавливаются так, что бы водитель мог дотянуться и до пассажирской кнопки.
Что меня сразу не устроило в этом комплекте: 1. Всего две кнопки, причем ставить их надо в бороду. Мне это не интересно, я хочу поставить их в ручки дверей. 2. Провода на моторы от кнопок - приличного сечения, никаких нареканий, но вот почему-то провод общей запитки всей системы - сечением раза в три меньше. Мне это не понравилось. 3. Моторы запитываются непосредственно от контактов кнопок, а по паспорту у них номинальный ток при свободном ходе - 7,5 ампера. Меня охватило сомнение в долговечности кнопок, коммутирующих такой ток. В связи со всем этим решено было выкинуть родной жгут и всю электрику переделать для устранения этих недостатков Итак, имеем: Коробка с ЭСП:

Комплектация:

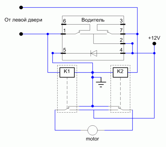
Прикинув будущую схему, решено было докупить еще одну кнопку, четыре реле, держатель предохранителя. Клеммы, провода, обжим для клемм - это уже имелось в наличии То есть, еще понадобится:

Схема получается с двумя реле для каждого подъемника. Реле должны быть пятиконтактными, то есть два контакта питания обмотки и три коммутирующихся контакта - одна переключающая группа. Вот схема для водительской двери (с учетом дополнительной кнопки поссажирского ЭСП):

Схема для пассажирской двери: 
На всякий случай - схема типичной кнопки: 
Диод в кнопке - это светодиод подсветки. Я решил его посадить наглухо на плюс, пусть светится постоянно, ресурс у светодиодов огромный, ток потребляет ничтожно малый... И не надо тянуть в дверь дополнительный провод от габаритов
Всего в дверь заходит 4 провода: +12, земля и два провода к правой (от левой) двери. Сечение питающих проводов должно быть не меньше 1,0 (лучше 1,5) кв.мм. Сечение междверной пары - любое. Кроме всего этого понадобятся: резиновые вводы в дверь, достаточные для всех проводов (у меня, например, в двери еще идут провода на электрозамок и на динамик), дрель со сверлами 8 и 14, напильники, мощные плоскогубцы
Цена вопроса примерно на июнь 2009 года: ЭСП "Катран" - 2300 Еще одна кнопка - 80 4 реле - 160 Держатель предохранителя - 40 2 ввода в дверь - 60 Провода, клеммы, изоляция - около 150 Всего получается около 2800





. По инструкции: теперь сверлим отверстия. По хорошему: оставляем засечки для отверстий, но НЕ СВЕРЛИМ ИХ. Теперь можно вставить ЭСП. ЭСП для левой и правой двери разные, их принадлежность обозначена буквами Л и П, выбитыми на метале:

ЭСП своим основным крепежом довольно точно попадает в крепеж старого ручного механизма, но я бы посоветовал рассверлить эти три отверстия крепежа сверлом на 8, что бы был небольшой запас для подгонки точного положения. Вставляем ЭСП шпильками в эти три отверстия и слегка прихватываем их гайками без шайб. А вот теперь начинается разница между инструкцией и жизнью. Вот ЭСП, установленный по инструкции:

Обратите внимание на вырезанную часть металла двери в центре фото, там выглядывает угол рейки ЭСП. Дело в том, что при установке рейки на штатное место, рекомендованное инструкцией, рейка начинает перекашиваться, т.к. правый верхний угол ее попадает на выступающий металл, тогда как остальная часть лежит на плоскости. Эту выступающую чать металла я и убрал. Можно, в принципе, не вырезать его, а мощными плоскогубцами просто выровнять. Теперь посмотрите на верхнюю рейку ЭСП, к которой крепится стекло. У нее явно завалена левая (задняя) сторона, то есть стекло будет стоять с перекосом. Что бы убрать этот перекос, нужно поднять нижнюю рейку ЭСП, для которой нужно было сверлить крепежные отверстия. Вот что получилось в итоге:

Вот крупным планом место крепления нижней рейки:

Я указал расстояния, на которые мне пришлось перенести отверстия крепления рейки. Кроме того выделенным цветом показана область металла, подвергшаяся выравниванию, что бы рейка могла ровно встать. Так что сверлить не спешите. После того как прихватили ЭСП тремя гайками, выведите нижнюю рейку примерно на ее место и, двигая ее выше-ниже добейтесь горизонтальности верхней планки ЭСП, держащей стекло. После того, как Вы найдете примерное место для нижней планки, убедитесь, что она сможет ровно лечь на металл, при необходимости выровняйте участки металла, на которую ложится рейка. Дальше нужно убедиться, что весь механизм не сильно перекошен - нижняя рейка не стремится проломить металл и вырваться внутрь салона
То есть она не слишком сильно прижимается к металлу. Приопустите стекло, что бы его крепление подошло поближе к верхней планке ЭСП и посмотрите, не сильно ли придется перекосить планку, что бы попасть ею на крепление стекла. Немного помогает убрать такие перекосы подкладывание шайб в крепление ЭСП (под те родные три отверстия). И вот после этого, выставив еще раз нижнюю рейку так, что бы верхняя планка была максимально горизонтальной, отметьте куда попадают отверстия крепления рейки и сверлитесь сверлом 8мм. Для того, что бы в процессе регулировки пробовать ход ЭСП, протяните от плюса аккумулятора через предохранитель 15А провод. По инструкции время поднятия стекла "Катраном" - максимум 6 секунд. В реальности оно поменьше - около 4х секунд. Вот этого и надо добиться, ликвидируя перекосы. Еще пара ньюансов: внизу рейка ЭСП может цеплять за угол ограничителя хода стекла. При этом стекло остается неопущенным примерно на пару см. В этом случае просто загните вниз угол ограничителя. Вверху ЭСП может цепляться своим прямоугольным выступом за верхний порог двери. Просто отогните утопленную часть порога двери
. Все поставили, все ездит вверх и вниз, теперь приступаем к электрике. Сначала сверлим дырки в стойке и в двери для ввода проводов в дверь. Для тех вводов, что купил я, понадобилось сверло 14 мм. Вот где это сделал я:

Старайтесь максимально совместить оси отверстий, что бы ввод не перекашивался. Первый провод опускается в стойку (под торпедой есть отверстие в стойке, в принципе можно и не снимая торпеды нащупать его) и вылавливается проволокой с крючком из просверленного отверстия. Дальше к этому проводу привязывается изолентой весь пучек нужных проводов и протягивается в отверстие. Провода вытягиваются из стойки на нужную длину и на них одевается резиновый ввод. В данном случае в дверь пошли провода: +12вольт, земля, междверная пара для ЭСП, электрозамок, динамик. Всего 8 проводов
Длину проводов для ЭСП я вымерял так: протягивал их от передней до средней стойки двери и обратно до ручки открывания. Длины этой "петли" достаточно с небольшим запасом.


Провода вошли в дверь. Теперь нужно позаботиться, что бы при открытии двери они не натягивались, а при закрытии не попали в движущиеся механизмы (в ЭСП, например). Я это решил так:

При закрытии провода через кольцо уходят вниз и там образуют изгиб, который выравнивается при открытии двери. Теперь нужно провода вывести в ручку (кнопки-то будут в ручке). На фото показано красной линией как идут провода:

По всему пути они лежат в углубленной части металла, в нескольких местах прихвачены к металлу хомутами через отверстия. Для их вывода изнутри на эту сторону двери я просверлил отверстие 10мм так, что бы провода выходя сразу попадали в углубление металла под панелью. В месте вывода проводов через металл на провода одет толстый кембрик, что бы провода не перетерлись об острые края отверстия. Теперь пора приступить к доработке ручек и схемы ЭСП
Выключатели в ручки я решил поставить не рядом друг с другом, а один за другим. При установке рядом между ними получается слишком тонкая перемышка пластика, теряется прочность, да и вырезать отверстия не так удобно... Приставляется к ручке в намеченном месте нижняя часть кнопки, обводится и высверливается/вытачивается отверстие по обведенному контуру. Затем вставляется кнопка, которая упирается своей верхней, полее длинной частью, обводится контур этой полее длинной части и отверстие подтачивается под новй контур. В последнюю очередь вытачивается небольшой паз, который служит для кнопки направляющей - что бы не поставить ее наоборот. Аналогично делается отверстие для второй кнопки.

По поводу реле... Сначала я хотел разместить их под торпедой. Но очень уж лень снимать торпеду
Потом я решил вывести их под капот. Потом прикинул сколько проводов нужно будет вводить в дверь (получилось 12) и слегка расстроился... А потом посмотрел на размер реле, на пустое место в ручке... И понял, что ситуация спасена
Что получилось:

Осталось обжать клеммы в соответствии со схемой и подключить все это безобразие 


И последнее - подключить питание и проверить работу ЭСП с кнопок. Питание я взял непосредственно с аккумулятора через отдельный предохранитель 15А:

после предохранителя провод раздваивается - один идет через двигательный отсек к левой двери, второй ныряет под ЧЯ к правой двери. Подключил - все заработало
Можно собрать и полюбоваться 

Междверная пара проходит так же через двигательный отсек, в левой части она выходит туда через резинку гидрокорректора, в правой части ныряет обратно в салон через резинку под ЧЯ. Работа по установке ЭСП в одну левую дверь заняла у меня всю субботу и воскресенье до обеда. Установка ЭСП в правую переднюю дверь отняла весь остаток воскресенья. По большей части все это время уходило на борьбу с описанными тут непонятками
Работой ЭСП сейчас очень доволен. Стекла опускаются полностью, как с ручным приводом, поднимаются до конца и с заметным запасом по мощности, не смотря на то, что у меня стоят новые водосъемники, с которыми и руками-то было тяжеловато крутить
. Расположение кнопок все-таки не очень удобное - они сдвинуты назад дальше, чем хотелось бы, но ближе вперед их поставить на ручку невозможно :( Звук при заведенной машине слышен лишь слегка - высокое пение мотора. На ходу этого звука практически не слышно. Руку в щель закрывающегося стекла вставлять не советую - придавливает больно
Надеюсь, что это описание кому-нибудь облегчит установку таких ЭСП
Автор статьи AndyBig обсудить статью можно http://www.semerka.info/forum/viewtopic.php?f=7&t=1290
- Войдите, чтобы оставлять комментарии

Комментарии
Как эта хреновина называется
Как эта хреновина называется откуда гвоздик замка торчит??? Отличная статься))))
Установка ЭСП Катран
доступно
На кронштейнах стекла по
На кронштейнах стекла по одному винтику. Халтурим...
To focus : Это "батоны" или травмобезоасные накладки.
дублирующая кнопка
Дублирующая кнопка, не много не так подключена. И вообще можно было ставить без реле, нагрузки тут такие что кнопки справляются у меня уже 4 года работает напрямую и все отлично работает без замены кнопок
А есть схема подключения?
А есть схема подключения с темже принципом, но без реле? На 3 кнопки, одна из них на контроль пассажирского стекла.