Включение ближнего света после запуска - как убрать?
- Vok'neL
- Начинающий классиковод

- Сообщения: 136
- Зарегистрирован: Ср ноя 14, 2012 14:19:33
- Модель авто: ВАЗ 21074
- Тип двигателя: Инжекторный
- Откуда: Саратов 64 RUS
- Благодарил (а): 59 раз
- Поблагодарили: 2 раза
Включение ближнего света после запуска - как убрать?
Доброго времени суток господа! Сразу извиняюсь за новую тему, так как похожего ничего на форуме не нашел.
Суть в следующем - в купленной семерке уже стояло автоматическое включение ближнего света ПОСЛЕ запуска двигателя, чуть позже иногда стал включаться со стартером вместе (в зиму это не есть хорошо), а сегодня после "прокатки" возле дома гаснет сам при набирании оборотов и\или на кочках. Закономерности в этом я так и не выяснил, где то замыкает\отходит скорее всего.
Хочу убрать эту систему. Посмотрите что было сделано. В блоке предохранителей реле ближнего и дальнего света было соеденино по такой схеме(во вложении). Провод я убрал, выпрямил ногу реле и поставил все обратно. Но свет все равно горит после завода машины. Где еще копать, уважаемые господа?
Суть в следующем - в купленной семерке уже стояло автоматическое включение ближнего света ПОСЛЕ запуска двигателя, чуть позже иногда стал включаться со стартером вместе (в зиму это не есть хорошо), а сегодня после "прокатки" возле дома гаснет сам при набирании оборотов и\или на кочках. Закономерности в этом я так и не выяснил, где то замыкает\отходит скорее всего.
Хочу убрать эту систему. Посмотрите что было сделано. В блоке предохранителей реле ближнего и дальнего света было соеденино по такой схеме(во вложении). Провод я убрал, выпрямил ногу реле и поставил все обратно. Но свет все равно горит после завода машины. Где еще копать, уважаемые господа?
Последний раз редактировалось Vok'neL Чт дек 13, 2012 14:50:42, всего редактировалось 1 раз.
- metallict422
- Модератор

- Сообщения: 11088
- Зарегистрирован: Пн янв 10, 2011 8:41:42
- Модель авто: ВАЗ 2105 1.3 '81 - продан. Peugeot 406 1.8 '01 мутировал в ST-sport pack - перешёл в другие руки. Ford Mondeo 2.5T '08
- Тип двигателя: Инжекторный
- Откуда: Севастополь, Крым, Россия
- Благодарил (а): 227 раз
- Поблагодарили: 783 раза
Re: Включение ближнего света после запуска - как убрать?
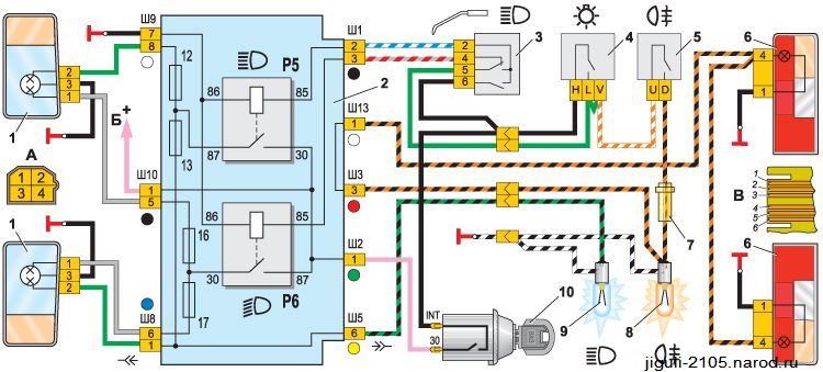
не плохо бы еще номера ножек реле, т.к. по памяти уже не помню как там что размещено.
Вот схемка фар
А так я бы еще посмотрел бы на предмет перемычек в кнопке включения габаритов в салоне на приборке, я так понимаю она у тебя трехпозиционнная.
Вот схемка фар
А так я бы еще посмотрел бы на предмет перемычек в кнопке включения габаритов в салоне на приборке, я так понимаю она у тебя трехпозиционнная.
- Антон80
- Модератор

- Сообщения: 47861
- Зарегистрирован: Сб окт 09, 2010 15:16:45
- Модель авто: Chevrolet AVEO 2005, 1.5
- Тип двигателя: Инжекторный
- Откуда: Украина, Кременчуг
- Благодарил (а): 1517 раз
- Поблагодарили: 3794 раза
Re: Включение ближнего света после запуска - как убрать?
в новом хундае акцент товарищ убрал это дело, вынув какой- то предохранитель. А на сервисе берут за это деньги и что делают- не говорят.
- Vok'neL
- Начинающий классиковод

- Сообщения: 136
- Зарегистрирован: Ср ноя 14, 2012 14:19:33
- Модель авто: ВАЗ 21074
- Тип двигателя: Инжекторный
- Откуда: Саратов 64 RUS
- Благодарил (а): 59 раз
- Поблагодарили: 2 раза
Re: Включение ближнего света после запуска - как убрать?
Схемку поправил, вроде не ошибся. Да, кнопка 3-х позиционная. Дело в ней думаете? Что именно надо там смотреть?metallict422 писал(а):не плохо бы еще номера ножек реле, т.к. по памяти уже не помню как там что размещено.
Вот схемка фар
А так я бы еще посмотрел бы на предмет перемычек в кнопке включения габаритов в салоне на приборке, я так понимаю она у тебя трехпозиционнная.
- Vok'neL
- Начинающий классиковод

- Сообщения: 136
- Зарегистрирован: Ср ноя 14, 2012 14:19:33
- Модель авто: ВАЗ 21074
- Тип двигателя: Инжекторный
- Откуда: Саратов 64 RUS
- Благодарил (а): 59 раз
- Поблагодарили: 2 раза
Re: Включение ближнего света после запуска - как убрать?
Да я уже тоже что мог, убирал - результата 0 пока что. А насчет сервиса это понятно, им деньги тоже нужныАнтон80 писал(а):в новом хундае акцент товарищ убрал это дело, вынув какой- то предохранитель. А на сервисе берут за это деньги и что делают- не говорят.
- олежек
- Прописан на semerka.info
- Сообщения: 14346
- Зарегистрирован: Вт окт 21, 2008 7:43:05
- Модель авто: ваз 217030 (люкс), ваз 21074-20 инж. (теперь у отца, почти со всеми доработками).
- Тип двигателя: Инжекторный
- Откуда: г. Таганрог
- Благодарил (а): 386 раз
- Поблагодарили: 844 раза
Re: Включение ближнего света после запуска - как убрать?
посмотреть на предмет инородных перемычек!Vok'neL писал(а):Что именно надо там смотреть?
- Vok'neL
- Начинающий классиковод

- Сообщения: 136
- Зарегистрирован: Ср ноя 14, 2012 14:19:33
- Модель авто: ВАЗ 21074
- Тип двигателя: Инжекторный
- Откуда: Саратов 64 RUS
- Благодарил (а): 59 раз
- Поблагодарили: 2 раза
Re: Включение ближнего света после запуска - как убрать?
Завтра гляну. Кстати еще одна деталь вспомнилась - когда ставили новую сигналку, снимали приборку, проверяли заводили без нее - свет не горел. Жаль сам когда снимал потом приборку не проверил еще разолежек писал(а):посмотреть на предмет инородных перемычек!Vok'neL писал(а):Что именно надо там смотреть?
- metallict422
- Модератор

- Сообщения: 11088
- Зарегистрирован: Пн янв 10, 2011 8:41:42
- Модель авто: ВАЗ 2105 1.3 '81 - продан. Peugeot 406 1.8 '01 мутировал в ST-sport pack - перешёл в другие руки. Ford Mondeo 2.5T '08
- Тип двигателя: Инжекторный
- Откуда: Севастополь, Крым, Россия
- Благодарил (а): 227 раз
- Поблагодарили: 783 раза
Re: Включение ближнего света после запуска - как убрать?
думаю, что не только в ней. Т.к. питание на свет в нормальной схеме подается постоянно, т.е. его можно включить и не на заведенном авто. В этом случае думаю надо уточнить исходные данные, т.е. работает ли освещение на не заведенном авто и если да, то как, т.е. включаются ли отдельно габариты и отдельно ближний свет. Если работает, то дело 100% не в кнопке, т.к. питание на ближний будет подаваться по всей видимости от другого источника на котором оно появляется только при заводке авто и в обход кнопки.Vok'neL писал(а): Дело в ней думаете?
- Vok'neL
- Начинающий классиковод

- Сообщения: 136
- Зарегистрирован: Ср ноя 14, 2012 14:19:33
- Модель авто: ВАЗ 21074
- Тип двигателя: Инжекторный
- Откуда: Саратов 64 RUS
- Благодарил (а): 59 раз
- Поблагодарили: 2 раза
Re: Включение ближнего света после запуска - как убрать?
это могу ответить сейчасmetallict422 писал(а):думаю, что не только в ней. Т.к. питание на свет в нормальной схеме подается постоянно, т.е. его можно включить и не на заведенном авто. В этом случае думаю надо уточнить исходные данные, т.е. работает ли освещение на не заведенном авто и если да, то как, т.е. включаются ли отдельно габариты и отдельно ближний свет. Если работает, то дело 100% не в кнопке, т.к. питание на ближний будет подаваться по всей видимости от другого источника на котором оно появляется только при заводке авто и в обход кнопки.Vok'neL писал(а): Дело в ней думаете?
- Vok'neL
- Начинающий классиковод

- Сообщения: 136
- Зарегистрирован: Ср ноя 14, 2012 14:19:33
- Модель авто: ВАЗ 21074
- Тип двигателя: Инжекторный
- Откуда: Саратов 64 RUS
- Благодарил (а): 59 раз
- Поблагодарили: 2 раза
Re: Включение ближнего света после запуска - как убрать?
Проверил кнопку - все родное, никаких инородностей. Куда копать, господа?
- metallict422
- Модератор

- Сообщения: 11088
- Зарегистрирован: Пн янв 10, 2011 8:41:42
- Модель авто: ВАЗ 2105 1.3 '81 - продан. Peugeot 406 1.8 '01 мутировал в ST-sport pack - перешёл в другие руки. Ford Mondeo 2.5T '08
- Тип двигателя: Инжекторный
- Откуда: Севастополь, Крым, Россия
- Благодарил (а): 227 раз
- Поблагодарили: 783 раза
Re: Включение ближнего света после запуска - как убрать?
сложный вопрос, лично я не могу понять зачем надо было отгибать 86ю клемму реле ближнего света и соединять её проводом с 87й дальнего света.
А начать можно с проверки целостности проводки от ЧЯ до фар. Т.е. на левую фару из ЧЯ со стороны капота штекер Ш8.1 (синий) должен выходить зеленый провод и без разрывов доходить до штекера на левой фаре, так же и с правой, только колодка на ЧЯ Ш9.8 (белая), точно также должен идти целый зеленый провод.
Если там будет всё целым переходить на сторону салона, т.е. брать схему и по схеме смотреть на целостность и выявлять левые подключения.
А начать можно с проверки целостности проводки от ЧЯ до фар. Т.е. на левую фару из ЧЯ со стороны капота штекер Ш8.1 (синий) должен выходить зеленый провод и без разрывов доходить до штекера на левой фаре, так же и с правой, только колодка на ЧЯ Ш9.8 (белая), точно также должен идти целый зеленый провод.
Если там будет всё целым переходить на сторону салона, т.е. брать схему и по схеме смотреть на целостность и выявлять левые подключения.
- Йожык
- Модератор

- Сообщения: 48823
- Зарегистрирован: Пн окт 03, 2011 18:00:04
- Модель авто: Honda Civic IX
- Тип двигателя: Инжекторный
- Откуда: Уфа
- Благодарил (а): 1179 раз
- Поблагодарили: 2380 раз
Re: Включение ближнего света после запуска - как убрать?
Чтобы при включении дальнего нить ближнего тоже горелаmetallict422 писал(а):сложный вопрос, лично я не могу понять зачем надо было отгибать 86ю клемму реле ближнего света и соединять её проводом с 87й дальнего света.
- metallict422
- Модератор

- Сообщения: 11088
- Зарегистрирован: Пн янв 10, 2011 8:41:42
- Модель авто: ВАЗ 2105 1.3 '81 - продан. Peugeot 406 1.8 '01 мутировал в ST-sport pack - перешёл в другие руки. Ford Mondeo 2.5T '08
- Тип двигателя: Инжекторный
- Откуда: Севастополь, Крым, Россия
- Благодарил (а): 227 раз
- Поблагодарили: 783 раза
Re: Включение ближнего света после запуска - как убрать?
всё-равно чего-то я туплю, смысл подавать питание на 86й контакт реле ближнего, по идее на 30й надо, если верить схеме.
- Vok'neL
- Начинающий классиковод

- Сообщения: 136
- Зарегистрирован: Ср ноя 14, 2012 14:19:33
- Модель авто: ВАЗ 21074
- Тип двигателя: Инжекторный
- Откуда: Саратов 64 RUS
- Благодарил (а): 59 раз
- Поблагодарили: 2 раза
Re: Включение ближнего света после запуска - как убрать?
скорее всего я ошибся, брал с инета данные..
- Astorian
- Коренной форумчанин :)
- Сообщения: 3521
- Зарегистрирован: Вс мар 04, 2012 12:33:39
- Модель авто: Subaru Forester lll 2,5L, АКПП
- Тип двигателя: Инжекторный
- Откуда: Москва, СЗАО
- Благодарил (а): 176 раз
- Поблагодарили: 147 раз
Re: Включение ближнего света после запуска - как убрать?
Оффтопик: Не очень понял смысл убирать данную, довольно удобную функцию, ведь согласно П.19.5. "В светлое время суток на всех движущихся транспортных средствах с целью их обозначения должны включаться фары ближнего света или дневные ходовые огни." Лучше просто починить что бы все работало как положено 
- Vok'neL
- Начинающий классиковод

- Сообщения: 136
- Зарегистрирован: Ср ноя 14, 2012 14:19:33
- Модель авто: ВАЗ 21074
- Тип двигателя: Инжекторный
- Откуда: Саратов 64 RUS
- Благодарил (а): 59 раз
- Поблагодарили: 2 раза
Re: Включение ближнего света после запуска - как убрать?
Дело в том, что даже сразу после покупки после выключения зажигания свет иногда не гас, а продолжал гореть. Спасало вкл\выкл через переключатель, БК никак не реагирует на габариты, если включено не через кнопку(когда кнопка вкл - естественно пищит после глушения). Сейчас иногда при автозапуске замечаю - иногда свет включается со стартером вместе. Поэтому танцевать с бубном не хочу, хочу просто вернуть заводское состояниеAstorian писал(а):Оффтопик: Не очень понял смысл убирать данную, довольно удобную функцию, ведь согласно П.19.5. "В светлое время суток на всех движущихся транспортных средствах с целью их обозначения должны включаться фары ближнего света или дневные ходовые огни." Лучше просто починить что бы все работало как положено
-
BORODA
- Модератор

- Сообщения: 2851
- Зарегистрирован: Ср июл 28, 2010 17:22:14
- Модель авто: ВАЗ 2107 (Электропакет)
- Тип двигателя: Инжекторный
- Откуда: Сыктывкар
- Благодарил (а): 103 раза
- Поблагодарили: 371 раз
Re: Включение ближнего света после запуска - как убрать?
Сними приборку, найди на ней кор-бел провод, и посмотри, что на нём "висит" лишнее. К нему может быть подключен провод от сигналки, его оставь, и ещё один провод должен идти или на нештатное реле, или в блок предов. Отключи его.Vok'neL писал(а): Кстати еще одна деталь вспомнилась - когда ставили новую сигналку, снимали приборку, проверяли заводили без нее - свет не горел.
- Vok'neL
- Начинающий классиковод

- Сообщения: 136
- Зарегистрирован: Ср ноя 14, 2012 14:19:33
- Модель авто: ВАЗ 21074
- Тип двигателя: Инжекторный
- Откуда: Саратов 64 RUS
- Благодарил (а): 59 раз
- Поблагодарили: 2 раза
Re: Включение ближнего света после запуска - как убрать?
Попробую, но честно в электрике на машине не спец, когда ставили мастера стеклоподъемники и сигналку новую - оба раза матерились, мол что это не через то подключили, это не так и т.д.BORODA писал(а):Сними приборку, найди на ней кор-бел провод, и посмотри, что на нём "висит" лишнее. К нему может быть подключен провод от сигналки, его оставь, и ещё один провод должен идти или на нештатное реле, или в блок предов. Отключи его.Vok'neL писал(а): Кстати еще одна деталь вспомнилась - когда ставили новую сигналку, снимали приборку, проверяли заводили без нее - свет не горел.
- Astorian
- Коренной форумчанин :)
- Сообщения: 3521
- Зарегистрирован: Вс мар 04, 2012 12:33:39
- Модель авто: Subaru Forester lll 2,5L, АКПП
- Тип двигателя: Инжекторный
- Откуда: Москва, СЗАО
- Благодарил (а): 176 раз
- Поблагодарили: 147 раз
Re: Включение ближнего света после запуска - как убрать?
Мде.... Видимо до аналогичных, иномарочных, систем нам еще как до китая.... =( В любом случае желаю что бы все хорошо починилось, а лишнее безболезненно вырезалосьVok'neL писал(а):Дело в том, что даже сразу после покупки после выключения зажигания свет иногда не гас, а продолжал гореть. Спасало вкл\выкл через переключатель, БК никак не реагирует на габариты, если включено не через кнопку(когда кнопка вкл - естественно пищит после глушения). Сейчас иногда при автозапуске замечаю - иногда свет включается со стартером вместе. Поэтому танцевать с бубном не хочу, хочу просто вернуть заводское состояниеAstorian писал(а):Оффтопик: Не очень понял смысл убирать данную, довольно удобную функцию, ведь согласно П.19.5. "В светлое время суток на всех движущихся транспортных средствах с целью их обозначения должны включаться фары ближнего света или дневные ходовые огни." Лучше просто починить что бы все работало как положено
-
BORODA
- Модератор

- Сообщения: 2851
- Зарегистрирован: Ср июл 28, 2010 17:22:14
- Модель авто: ВАЗ 2107 (Электропакет)
- Тип двигателя: Инжекторный
- Откуда: Сыктывкар
- Благодарил (а): 103 раза
- Поблагодарили: 371 раз
Re: Включение ближнего света после запуска - как убрать?
Vok'neL
Там два варианта, либо сигнал генера включает фары, либо датчика давления масла.
Там два варианта, либо сигнал генера включает фары, либо датчика давления масла.
- Vok'neL
- Начинающий классиковод

- Сообщения: 136
- Зарегистрирован: Ср ноя 14, 2012 14:19:33
- Модель авто: ВАЗ 21074
- Тип двигателя: Инжекторный
- Откуда: Саратов 64 RUS
- Благодарил (а): 59 раз
- Поблагодарили: 2 раза
Re: Включение ближнего света после запуска - как убрать?
Всем спасибо за оперативные ответы. Как будут выходные скорее всего полезу искать эту систему. Если что буду "мучить" периодически вас вопросами. И на засыпку вопросик - приборку снимать или всю панель?
Кто сейчас на конференции
Сейчас этот форум просматривают: нет зарегистрированных пользователей и 26 гостей