Опыт установки ЭСП "Катран" на пятерку
- Axel4
- Водила

- Сообщения: 64
- Зарегистрирован: Пн май 31, 2010 8:32:47
- Модель авто: 21074 карб. 2004 г.в.
- Откуда: Ногинск, Вольск
- Благодарил (а): 4 раза
- Поблагодарили: 7 раз
Re: Опыт установки ЭСП "Катран" на пятерку
Помогите, может кто сталкивался... У меня катраны стоят больше года, работали отлично, вот вчера столкнулся с проблемой - правое стекло опустилось и не хочет подниматься. Срабатывает термореле, как я понял, поскольку щелкает в приводе. Стеклу ничего не мешает, все разобрал, проверил. Сначала думал на жару, что стоит последние дни, т.е. мотор перегревается, хотя прошлым летом было жарче и ничего. Но после остывания тоже самое. Вот теперь думаю, можно что нить сделать или под замену?
- serg4
- Мега-классиковод

- Сообщения: 599
- Зарегистрирован: Сб апр 03, 2010 11:54:16
- Модель авто: ваз 2105,терм.2110,клапан бмв,рег.темп и мощности,улитка 08 под капотом,SECU-3T
- Тип двигателя: Карбюраторный
- Откуда: МО
- Благодарил (а): 35 раз
- Поблагодарили: 9 раз
Re: Опыт установки ЭСП "Катран" на пятерку
а как проверил, напрямую?если напрямую работает,то у меня из-за кнопки так щелкало.
- Axel4
- Водила

- Сообщения: 64
- Зарегистрирован: Пн май 31, 2010 8:32:47
- Модель авто: 21074 карб. 2004 г.в.
- Откуда: Ногинск, Вольск
- Благодарил (а): 4 раза
- Поблагодарили: 7 раз
Re: Опыт установки ЭСП "Катран" на пятерку
Всем спасибо, паника была преждевременна
На выходных разобрался, снял прямо на двери редуктор (крепится тремя саморезами), подключил - работает! Оказалось, что после поездки в Саратов и обратно (2000 км) от вибрации видимо чуть сместилась направляющая ножниц, из-за чего в нижнем положении их клинило и срабатывала термозащита. Поправил, затянул и все нормально.
- олежек
- Прописан на semerka.info
- Сообщения: 14346
- Зарегистрирован: Вт окт 21, 2008 7:43:05
- Модель авто: ваз 217030 (люкс), ваз 21074-20 инж. (теперь у отца, почти со всеми доработками).
- Тип двигателя: Инжекторный
- Откуда: г. Таганрог
- Благодарил (а): 386 раз
- Поблагодарили: 844 раза
Re: Опыт установки ЭСП "Катран" на пятерку
ну вот!!!, делов то!!!Axel4 писал(а):Поправил, затянул и все нормально.
- serg4
- Мега-классиковод

- Сообщения: 599
- Зарегистрирован: Сб апр 03, 2010 11:54:16
- Модель авто: ваз 2105,терм.2110,клапан бмв,рег.темп и мощности,улитка 08 под капотом,SECU-3T
- Тип двигателя: Карбюраторный
- Откуда: МО
- Благодарил (а): 35 раз
- Поблагодарили: 9 раз
Re: Опыт установки ЭСП "Катран" на пятерку
кому нужно снять моторедуктор ,не снимая весь механизм нужно просверлить два отверстия

это может пригодится в дальнейшем,когда не закроется окно,а нужно например на работу.

это может пригодится в дальнейшем,когда не закроется окно,а нужно например на работу.
- Любомир
- Автолюбитель

- Сообщения: 23
- Зарегистрирован: Вт авг 16, 2011 10:27:23
- Модель авто: ВАЗ 2107
- Благодарил (а): 5 раз
- Контактная информация:
Re: Опыт установки ЭСП "Катран" на пятерку
Привет Всем! У меня просьба по поводу установки ЭСП, может кто то выложить схему подключения для 5-ти контактной кнопки с реле. В инструкции к КАТРАНУ без реле. Заранее благодарен.
- Любомир
- Автолюбитель

- Сообщения: 23
- Зарегистрирован: Вт авг 16, 2011 10:27:23
- Модель авто: ВАЗ 2107
- Благодарил (а): 5 раз
- Контактная информация:
Re: Опыт установки ЭСП "Катран" на пятерку
Все у становил, все работает, но вот проблема с дополнительной кнопкой для пассажиркой двери. Кнопки все пятиконтактные, схемы для подключения нигде не могу нарыть. Либо пассажираская работает, либо у водителя, при попытке подключить обе горит предохранитель, помогите, плиз!
-
SkuLLTrac3r
- Пешеход

- Сообщения: 4
- Зарегистрирован: Пн окт 17, 2011 10:25:28
- Модель авто: 2106 со стеклами от 2107
Re: Опыт установки ЭСП "Катран" на пятерку
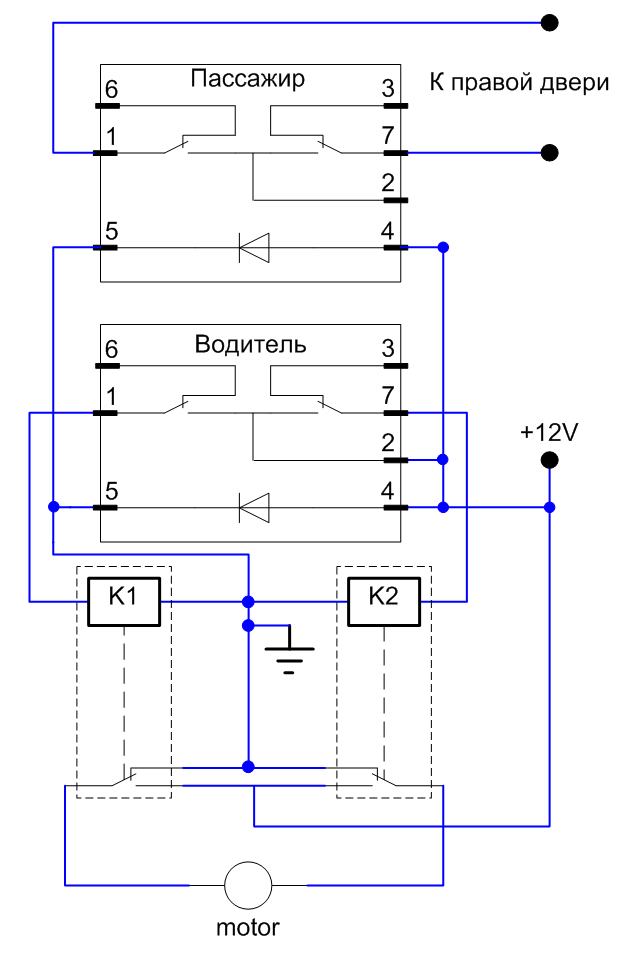
Блин! Никак не могу понять! Все подсоединяю как у автора, (Водительское стекло и кнопка работает, поэтому опишу только пассажирское стекло) Кнопка пассажирского стекла стоящая в правой двери подключена точно по схеме автора через 5-ти контактные реле, проверяю стекло, все работает, открывает, закрывает, проблем нет, стоит мне только подключить провода 1 и 7 от левой двери пассажирской кнопки в параллель кнопки правой двери, так фигушки, все перестает работать........Хотя делаю все по схеме автора,может быть на схеме что-то не указано, типа не понятно как именно подключается пассажирская кнопка на левой двери,1 и 7 понятно, идут в правую дверь, а остальные контакты, какие на землю, какие куда, или другие ваще не трогать(ну про 5 и 4 я молчу-это подсветка)! В чем дело??? Помогите пожалуйста, замучился уже, никто толком помочь не может, объясните запутавшемуся человеку =(
- Вложения
-
- Схема автора для пассажирской двери
- 004.gif (20.83 КБ) 10233 просмотра
- JET
- Прописан на semerka.info
- Сообщения: 8309
- Зарегистрирован: Чт дек 18, 2008 13:38:18
- Модель авто: BOGDAN 21104
- Тип двигателя: Инжекторный
- Откуда: СССР
- Благодарил (а): 253 раза
- Поблагодарили: 639 раз
- Контактная информация:
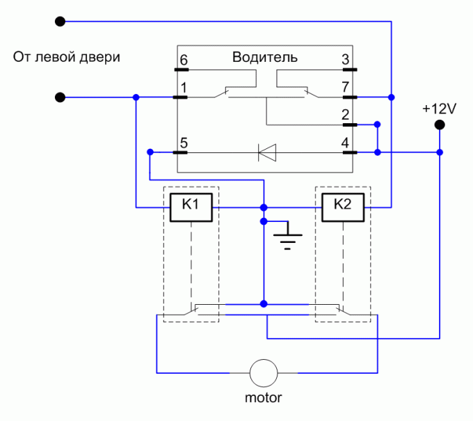
Re: Опыт установки ЭСП "Катран" на пятерку
SkuLLTrac3r
На кой ты туда реле впендюрил, кнопки ведь 10-шные?
Схема тебе в помощь, НОРМАЛЬНАЯ СХЕМА
На кой ты туда реле впендюрил, кнопки ведь 10-шные?
Схема тебе в помощь, НОРМАЛЬНАЯ СХЕМА
-
BORODA
- Модератор

- Сообщения: 2851
- Зарегистрирован: Ср июл 28, 2010 17:22:14
- Модель авто: ВАЗ 2107 (Электропакет)
- Тип двигателя: Инжекторный
- Откуда: Сыктывкар
- Благодарил (а): 103 раза
- Поблагодарили: 371 раз
Re: Опыт установки ЭСП "Катран" на пятерку
SkuLLTrac3r
Там в хеме небольшой косячок есть. Контакт 2 в кнопке, которая стоит в вод. двери и управляет пассажирской, должен быть подключен на +, чего в схеме не указано. На минус в ней ничего подключаться не должно, кроме подсветки!
Там в хеме небольшой косячок есть. Контакт 2 в кнопке, которая стоит в вод. двери и управляет пассажирской, должен быть подключен на +, чего в схеме не указано. На минус в ней ничего подключаться не должно, кроме подсветки!
-
SkuLLTrac3r
- Пешеход

- Сообщения: 4
- Зарегистрирован: Пн окт 17, 2011 10:25:28
- Модель авто: 2106 со стеклами от 2107
Re: Опыт установки ЭСП "Катран" на пятерку
Кнопки стандартные, какие с продажей ЭСП были!
- Вложения
-
- gallery_412_6_36114.jpg (28.55 КБ) 9562 просмотра
- JET
- Прописан на semerka.info
- Сообщения: 8309
- Зарегистрирован: Чт дек 18, 2008 13:38:18
- Модель авто: BOGDAN 21104
- Тип двигателя: Инжекторный
- Откуда: СССР
- Благодарил (а): 253 раза
- Поблагодарили: 639 раз
- Контактная информация:
Re: Опыт установки ЭСП "Катран" на пятерку
Обычные 10-шныеSkuLLTrac3r писал(а):Кнопки стандартные, какие с продажей ЭСП были!
-
SkuLLTrac3r
- Пешеход

- Сообщения: 4
- Зарегистрирован: Пн окт 17, 2011 10:25:28
- Модель авто: 2106 со стеклами от 2107
Re: Опыт установки ЭСП "Катран" на пятерку
Кароче! Мне подскажет кто нить? правильная ли схема автора или там есть где-то ошибка! Мне надо через реле!
-
BORODA
- Модератор

- Сообщения: 2851
- Зарегистрирован: Ср июл 28, 2010 17:22:14
- Модель авто: ВАЗ 2107 (Электропакет)
- Тип двигателя: Инжекторный
- Откуда: Сыктывкар
- Благодарил (а): 103 раза
- Поблагодарили: 371 раз
Re: Опыт установки ЭСП "Катран" на пятерку
А что, моё сообщение не прочитал?SkuLLTrac3r писал(а):Кароче! Мне подскажет кто нить? правильная ли схема автора или там есть где-то ошибка! Мне надо через реле!
-
SkuLLTrac3r
- Пешеход

- Сообщения: 4
- Зарегистрирован: Пн окт 17, 2011 10:25:28
- Модель авто: 2106 со стеклами от 2107
Re: Опыт установки ЭСП "Катран" на пятерку
Ой, не заметил! Спасибо, но я уже сам допер
.........Но все равно огромное спасибо 
- igor1988
- Начинающий классиковод

- Сообщения: 152
- Зарегистрирован: Пт дек 03, 2010 13:13:08
- Модель авто: ВАЗ 21074i, ЕВРО-3.
- Тип двигателя: Инжекторный
- Откуда: Белгородская обл, Старый Оскол
- Благодарил (а): 11 раз
- Поблагодарили: 2 раза
Re: Опыт установки ЭСП "Катран" на пятерку
Извините меня пожалуйста все. Я не электрик. Напишите номера контактов на реле какой куда, а то я чё то невьеду никак. 
- Вложения
-
- 004.gif (20.83 КБ) 8700 просмотров
-
- 005.gif (20.79 КБ) 8700 просмотров
- Haris22
- Прописан на semerka.info
- Сообщения: 12742
- Зарегистрирован: Ср окт 06, 2010 11:17:20
- Модель авто: 21074 1999г./ Laurel 2001г. 4WD, 200л.с.
- Тип двигателя: Карбюраторный
- Откуда: Москва
- Благодарил (а): 953 раза
- Поблагодарили: 1039 раз
Re: Опыт установки ЭСП "Катран" на пятерку
У меня в комплекте (катран) не идут кнопки (удешевили редиски), любые подойдут?
Пока хочу подключить водительскую, нужны ли какие то предохранители/реле?
А то в комплекте только провода и все
Пока хочу подключить водительскую, нужны ли какие то предохранители/реле?
А то в комплекте только провода и все
- Haris22
- Прописан на semerka.info
- Сообщения: 12742
- Зарегистрирован: Ср окт 06, 2010 11:17:20
- Модель авто: 21074 1999г./ Laurel 2001г. 4WD, 200л.с.
- Тип двигателя: Карбюраторный
- Откуда: Москва
- Благодарил (а): 953 раза
- Поблагодарили: 1039 раз
Re: Опыт установки ЭСП "Катран" на пятерку
Не поверите, нашел кнопки в комплекте, оказывается они по всей коробке катались и все время под чем-то оказывались
А теперь вопрос по электрике:
Есть красный, синий и зеленый с черной полоской провода.
Синий это минус должен быть, а красный вроде плюс, зачем зеленый???
-
zombie177rus
- Вечная Память!

- Сообщения: 12668
- Зарегистрирован: Чт окт 27, 2011 13:50:40
- Модель авто: ВАЗ2107,много не сток
- Тип двигателя: Инжекторный
- Откуда: Москва
- Благодарил (а): 90 раз
- Поблагодарили: 1275 раз
Re: Опыт установки ЭСП "Катран" на пятерку
Привези мне весь этот бутор....Haris22 писал(а):![]()
Не поверите, нашел кнопки в комплекте, оказывается они по всей коробке катались и все время под чем-то оказывались![]()
А теперь вопрос по электрике:
Есть красный, синий и зеленый с черной полоской провода.
Синий это минус должен быть, а красный вроде плюс, зачем зеленый???
- Иван64
- Отец русского классиководства

- Сообщения: 2484
- Зарегистрирован: Пт янв 02, 2015 14:14:57
- Модель авто: ВАЗ 2111
- Тип двигателя: Инжекторный
- Откуда: ПИТЕР
- Благодарил (а): 220 раз
- Поблагодарили: 214 раз
Re: Опыт установки ЭСП "Катран" на пятерку
На зеленом у тебя будут чередоваться плюс с минусомHaris22 писал(а):![]()
Не поверите, нашел кнопки в комплекте, оказывается они по всей коробке катались и все время под чем-то оказывались![]()
А теперь вопрос по электрике:
Есть красный, синий и зеленый с черной полоской провода.
Синий это минус должен быть, а красный вроде плюс, зачем зеленый???
-
zombie177rus
- Вечная Память!

- Сообщения: 12668
- Зарегистрирован: Чт окт 27, 2011 13:50:40
- Модель авто: ВАЗ2107,много не сток
- Тип двигателя: Инжекторный
- Откуда: Москва
- Благодарил (а): 90 раз
- Поблагодарили: 1275 раз
Re: Опыт установки ЭСП "Катран" на пятерку
Не путай человека. Зелёный с ч/полосой это масса у него.Иван64 писал(а):На зеленом у тебя будут чередоваться плюс с минусомHaris22 писал(а):![]()
Не поверите, нашел кнопки в комплекте, оказывается они по всей коробке катались и все время под чем-то оказывались![]()
А теперь вопрос по электрике:
Есть красный, синий и зеленый с черной полоской провода.
Синий это минус должен быть, а красный вроде плюс, зачем зеленый???
-
zombie177rus
- Вечная Память!

- Сообщения: 12668
- Зарегистрирован: Чт окт 27, 2011 13:50:40
- Модель авто: ВАЗ2107,много не сток
- Тип двигателя: Инжекторный
- Откуда: Москва
- Благодарил (а): 90 раз
- Поблагодарили: 1275 раз
- Иван64
- Отец русского классиководства

- Сообщения: 2484
- Зарегистрирован: Пт янв 02, 2015 14:14:57
- Модель авто: ВАЗ 2111
- Тип двигателя: Инжекторный
- Откуда: ПИТЕР
- Благодарил (а): 220 раз
- Поблагодарили: 214 раз
Re: Опыт установки ЭСП "Катран" на пятерку
Так все сраслось у вас?zombie177rus писал(а):Я сегодня этот жгут в руках держал....
Кто сейчас на конференции
Сейчас этот форум просматривают: нет зарегистрированных пользователей и 19 гостей