Непонятки с сигой
Модератор: Randall
-
Tazik
- Начинающий классиковод

- Сообщения: 123
- Зарегистрирован: Вт май 11, 2010 17:27:28
- Модель авто: ВАЗ21074i, 2008 г.в. ; сига Pantera XS2000, электрозамок багажника; ПТФ от 2108; магнитола Pioneer DEH 5310UB, динамики 2х JVC; БК Штат х01
- Откуда: Саранск, Мордовия
- Благодарил (а): 15 раз
- Поблагодарили: 2 раза
Непонятки с сигой
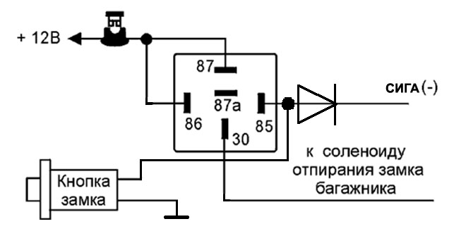
Сегодня такая вещь начала происходить - ставлю на охрану, через 5 сек. начинает визжать, нажимаю на кнопку брелка - 3 сигнала, пауза, 4 сигнала, пауза, 4 сигнала. Авто остается в режиме охраны. Случилось это после подключения реле с актюатором багажника. Из-за чего это может быть? Подключал по нижеприведенной схеме. С кнопки крышка багажника открывается, а с брелка не хочет (удерживал в течение 2 сек кнопку бесшумной постановки на охрану), почему?
- VladiZlav
- Администратор

- Сообщения: 18075
- Зарегистрирован: Сб июн 07, 2008 21:11:19
- Модель авто: Ваз 2111, красный, ЭСП и все такое :)
- Тип двигателя: Инжекторный
- Откуда: Россия, Крым, Симферополь
- Благодарил (а): 2155 раз
- Поблагодарили: 1908 раз
- Контактная информация:
Re: Непонятки с сигой
Tazik
розовый провод что вообще выдает? Какие у него програмные функции? Да и по схеме мутно все както получается. Что за сигналка? Схема есть?
розовый провод что вообще выдает? Какие у него програмные функции? Да и по схеме мутно все както получается. Что за сигналка? Схема есть?
-
Tazik
- Начинающий классиковод

- Сообщения: 123
- Зарегистрирован: Вт май 11, 2010 17:27:28
- Модель авто: ВАЗ21074i, 2008 г.в. ; сига Pantera XS2000, электрозамок багажника; ПТФ от 2108; магнитола Pioneer DEH 5310UB, динамики 2х JVC; БК Штат х01
- Откуда: Саранск, Мордовия
- Благодарил (а): 15 раз
- Поблагодарили: 2 раза
- VladiZlav
- Администратор

- Сообщения: 18075
- Зарегистрирован: Сб июн 07, 2008 21:11:19
- Модель авто: Ваз 2111, красный, ЭСП и все такое :)
- Тип двигателя: Инжекторный
- Откуда: Россия, Крым, Симферополь
- Благодарил (а): 2155 раз
- Поблагодарили: 1908 раз
- Контактная информация:
Re: Непонятки с сигой
Tazik
присмотрелся - если ничего ты не перепутал и все как по схеме то работать должно
Корпус возникает на розовом при условии задействования допа? Вообще какие функции програмные имеет данный доп вывод?
присмотрелся - если ничего ты не перепутал и все как по схеме то работать должно
-
Tazik
- Начинающий классиковод

- Сообщения: 123
- Зарегистрирован: Вт май 11, 2010 17:27:28
- Модель авто: ВАЗ21074i, 2008 г.в. ; сига Pantera XS2000, электрозамок багажника; ПТФ от 2108; магнитола Pioneer DEH 5310UB, динамики 2х JVC; БК Штат х01
- Откуда: Саранск, Мордовия
- Благодарил (а): 15 раз
- Поблагодарили: 2 раза
Re: Непонятки с сигой
Да, масса на нем появляется. Розовый провод - для реализации ф-ии управления стеклоподъемниками/пейджером/доп. реле блокировки двигателя.
PS. Я че думаю - я ж концевик багажника не прикрепил - мож сига и ругается из-за этого. Хм..хотя почему?
PS. Я че думаю - я ж концевик багажника не прикрепил - мож сига и ругается из-за этого. Хм..хотя почему?
- четвёрковод
- Модератор

- Сообщения: 14746
- Зарегистрирован: Пт янв 01, 2010 1:32:37
- Модель авто: при.лада
- Тип двигателя: Инжекторный
- Откуда: 57
- Благодарил (а): 215 раз
- Поблагодарили: 1439 раз
Re: Непонятки с сигой
Tazik
По схеме, получается, что у тебя соленоид управляется только кнопкой, при этом, я так понял, розовый провод ты никуда не подключил, следовательно реле в схеме не участвует, вот на розовый провод ты должен подать выход (-) второго канала сиги. И тогда, при сигнале от брелка, на реле придёт (-), сработает реле и запитает соленоид багажника (откроет).
По схеме, получается, что у тебя соленоид управляется только кнопкой, при этом, я так понял, розовый провод ты никуда не подключил, следовательно реле в схеме не участвует, вот на розовый провод ты должен подать выход (-) второго канала сиги. И тогда, при сигнале от брелка, на реле придёт (-), сработает реле и запитает соленоид багажника (откроет).
-
Tazik
- Начинающий классиковод

- Сообщения: 123
- Зарегистрирован: Вт май 11, 2010 17:27:28
- Модель авто: ВАЗ21074i, 2008 г.в. ; сига Pantera XS2000, электрозамок багажника; ПТФ от 2108; магнитола Pioneer DEH 5310UB, динамики 2х JVC; БК Штат х01
- Откуда: Саранск, Мордовия
- Благодарил (а): 15 раз
- Поблагодарили: 2 раза
Re: Непонятки с сигой
Как раз розовый провод я подсоединил к релюшке как указано на схеме.четвёрковод писал(а):Tazik
По схеме, получается, что у тебя соленоид управляется только кнопкой, при этом, я так понял, розовый провод ты никуда не подключил, следовательно реле в схеме не участвует, вот на розовый провод ты должен подать выход (-) второго канала сиги. И тогда, при сигнале от брелка, на реле придёт (-), сработает реле и запитает соленоид багажника (откроет).
Из инструкции - "этот выход системы (прим. Розовый провод) замыкается на "массу" при нажатии и удерживании кнопки "бесшумной постановки на охрану" передатчика на 2 секунды".
Последний раз редактировалось Tazik Вс май 30, 2010 23:01:17, всего редактировалось 1 раз.
- VladiZlav
- Администратор

- Сообщения: 18075
- Зарегистрирован: Сб июн 07, 2008 21:11:19
- Модель авто: Ваз 2111, красный, ЭСП и все такое :)
- Тип двигателя: Инжекторный
- Откуда: Россия, Крым, Симферополь
- Благодарил (а): 2155 раз
- Поблагодарили: 1908 раз
- Контактная информация:
Re: Непонятки с сигой
не, ну я же думаю что он всетаки его подключил к 85 выходу реле. Меня смущает просто мазок ручкой в районе 86 выхода реле - он что означает?четвёрковод писал(а):розовый провод ты никуда не подключил
- Randall
- Модератор

- Сообщения: 12462
- Зарегистрирован: Пт сен 11, 2009 11:38:34
- Модель авто: Ford Fusion 2011г.в., 1596к.см., 16V, МКПП-5.
- Тип двигателя: Инжекторный
- Откуда: Донецк!!! Передовая.
- Благодарил (а): 373 раза
- Поблагодарили: 960 раз
- Контактная информация:
Re: Непонятки с сигой
Tazik
1. Можно было темы и не плодить, ибо есть уже темы про "непонятки с сигой" и про установку привода открытия багажника...
2. Проверь в режиме программирования сиги, какая функция прошита для этого провода, ибо не факт, что она одна...
3. А схему эту ВЫКИНЬ! Спалишь кнопку...
4. Концевик тут ни при чем...
1. Можно было темы и не плодить, ибо есть уже темы про "непонятки с сигой" и про установку привода открытия багажника...
2. Проверь в режиме программирования сиги, какая функция прошита для этого провода, ибо не факт, что она одна...
3. А схему эту ВЫКИНЬ! Спалишь кнопку...
4. Концевик тут ни при чем...
- VladiZlav
- Администратор

- Сообщения: 18075
- Зарегистрирован: Сб июн 07, 2008 21:11:19
- Модель авто: Ваз 2111, красный, ЭСП и все такое :)
- Тип двигателя: Инжекторный
- Откуда: Россия, Крым, Симферополь
- Благодарил (а): 2155 раз
- Поблагодарили: 1908 раз
- Контактная информация:
Re: Непонятки с сигой
ну тут смотря какая кнопкаRandall писал(а):3. А схему эту ВЫКИНЬ! Спалишь кнопку...
-
Tazik
- Начинающий классиковод

- Сообщения: 123
- Зарегистрирован: Вт май 11, 2010 17:27:28
- Модель авто: ВАЗ21074i, 2008 г.в. ; сига Pantera XS2000, электрозамок багажника; ПТФ от 2108; магнитола Pioneer DEH 5310UB, динамики 2х JVC; БК Штат х01
- Откуда: Саранск, Мордовия
- Благодарил (а): 15 раз
- Поблагодарили: 2 раза
Re: Непонятки с сигой
Это прозвонка проводов. Ничего болееVladiZlav писал(а):Меня смущает просто мазок ручкой в районе 86 выхода реле - он что означает?
- четвёрковод
- Модератор

- Сообщения: 14746
- Зарегистрирован: Пт янв 01, 2010 1:32:37
- Модель авто: при.лада
- Тип двигателя: Инжекторный
- Откуда: 57
- Благодарил (а): 215 раз
- Поблагодарили: 1439 раз
- Randall
- Модератор

- Сообщения: 12462
- Зарегистрирован: Пт сен 11, 2009 11:38:34
- Модель авто: Ford Fusion 2011г.в., 1596к.см., 16V, МКПП-5.
- Тип двигателя: Инжекторный
- Откуда: Донецк!!! Передовая.
- Благодарил (а): 373 раза
- Поблагодарили: 960 раз
- Контактная информация:
Re: Непонятки с сигой
четвёрковод, и шо? Там то же самое, что аффтар пытается собрать 
Tazik, специально для тебя "по-быстрому" дорисовал схему от своей сиги (тож было по-дэбильному нарисовано...).
На:
Tazik, специально для тебя "по-быстрому" дорисовал схему от своей сиги (тож было по-дэбильному нарисовано...).
На:
- Вложения
-
- багажник.jpg (53.85 КБ) 7209 просмотров
- четвёрковод
- Модератор

- Сообщения: 14746
- Зарегистрирован: Пт янв 01, 2010 1:32:37
- Модель авто: при.лада
- Тип двигателя: Инжекторный
- Откуда: 57
- Благодарил (а): 215 раз
- Поблагодарили: 1439 раз
Re: Непонятки с сигой
Tazik
Выходит всё верно у тебя,если минус с сиги приходит на реле. Не мог перепутать провода соленоида?, может их местами поменять?
Выходит всё верно у тебя,если минус с сиги приходит на реле. Не мог перепутать провода соленоида?, может их местами поменять?
- четвёрковод
- Модератор

- Сообщения: 14746
- Зарегистрирован: Пт янв 01, 2010 1:32:37
- Модель авто: при.лада
- Тип двигателя: Инжекторный
- Откуда: 57
- Благодарил (а): 215 раз
- Поблагодарили: 1439 раз
Re: Непонятки с сигой
Randall
Только подтвердил. Тогда или привод слаб, или полюса соленоида менять местами.
п.с. Твоя схема предпочтительнее, хотя сути не меняет. Кстати, уточни автору марку диода.
Только подтвердил. Тогда или привод слаб, или полюса соленоида менять местами.
п.с. Твоя схема предпочтительнее, хотя сути не меняет. Кстати, уточни автору марку диода.
-
Tazik
- Начинающий классиковод

- Сообщения: 123
- Зарегистрирован: Вт май 11, 2010 17:27:28
- Модель авто: ВАЗ21074i, 2008 г.в. ; сига Pantera XS2000, электрозамок багажника; ПТФ от 2108; магнитола Pioneer DEH 5310UB, динамики 2х JVC; БК Штат х01
- Откуда: Саранск, Мордовия
- Благодарил (а): 15 раз
- Поблагодарили: 2 раза
Re: Непонятки с сигой
Подключение проводов проверял не раз.четвёрковод писал(а):Tazik
Выходит всё верно у тебя,если минус с сиги приходит на реле. Не мог перепутать провода соленоида?, может их местами поменять?
Привод рабочий - с кнопки ж работает, багажник открывает.
Схема, которую привел Randall по сути та же, только "почеловечнее". Но брелок и с ней открывать не будет.
ПС. Кстати, при попытке открытия багажника с брелка сирена издавала звук типа цоканья.
- Randall
- Модератор

- Сообщения: 12462
- Зарегистрирован: Пт сен 11, 2009 11:38:34
- Модель авто: Ford Fusion 2011г.в., 1596к.см., 16V, МКПП-5.
- Тип двигателя: Инжекторный
- Откуда: Донецк!!! Передовая.
- Благодарил (а): 373 раза
- Поблагодарили: 960 раз
- Контактная информация:
Re: Непонятки с сигой
Да любой диод с прямым током, достаточным для включения реле и обратным напряжением Вольт от 20...четвёрковод писал(а):Кстати, уточни автору марку диода.
Да хоть преславутый 1N4001...
Это кто тебе такое рассказал? У меня работает, а у тебя не будет?Tazik писал(а):Но брелок и с ней открывать не будет.
Ну так повесь кнопку, как в моей схеме. Если не будет открывать с кнопки - реле в мусорное ведро (если подключено все правильно), если будет - тогда копай сигналку, знач что-то ты про этот выход ее не дочитал...Tazik писал(а):Привод рабочий - с кнопки ж работает, багажник открывает.
-
Tazik
- Начинающий классиковод

- Сообщения: 123
- Зарегистрирован: Вт май 11, 2010 17:27:28
- Модель авто: ВАЗ21074i, 2008 г.в. ; сига Pantera XS2000, электрозамок багажника; ПТФ от 2108; магнитола Pioneer DEH 5310UB, динамики 2х JVC; БК Штат х01
- Откуда: Саранск, Мордовия
- Благодарил (а): 15 раз
- Поблагодарили: 2 раза
Re: Непонятки с сигой
Попробую проверить, позже отпишусь, насчет этого есть сомнения. А позже и схему подправлю под твою. Спасибо за схему.Randall писал(а):Tazik
2. Проверь в режиме программирования сиги, какая функция прошита для этого провода, ибо не факт, что она одна...
- Randall
- Модератор

- Сообщения: 12462
- Зарегистрирован: Пт сен 11, 2009 11:38:34
- Модель авто: Ford Fusion 2011г.в., 1596к.см., 16V, МКПП-5.
- Тип двигателя: Инжекторный
- Откуда: Донецк!!! Передовая.
- Благодарил (а): 373 раза
- Поблагодарили: 960 раз
- Контактная информация:
Re: Непонятки с сигой
есть сомнения, что отпишешься?Tazik писал(а):позже отпишусь, насчет этого есть сомнения.
- четвёрковод
- Модератор

- Сообщения: 14746
- Зарегистрирован: Пт янв 01, 2010 1:32:37
- Модель авто: при.лада
- Тип двигателя: Инжекторный
- Откуда: 57
- Благодарил (а): 215 раз
- Поблагодарили: 1439 раз
Re: Непонятки с сигой
Tazik
Его схема кнопку сбережёт, но работать и так будет. Ты почитай инструкцию, запрограммируй функцию,Randall прав ИМХО.
Randall Не у всех же познания в мире полупроводников.
Его схема кнопку сбережёт, но работать и так будет. Ты почитай инструкцию, запрограммируй функцию,Randall прав ИМХО.
Randall Не у всех же познания в мире полупроводников.
-
Tazik
- Начинающий классиковод

- Сообщения: 123
- Зарегистрирован: Вт май 11, 2010 17:27:28
- Модель авто: ВАЗ21074i, 2008 г.в. ; сига Pantera XS2000, электрозамок багажника; ПТФ от 2108; магнитола Pioneer DEH 5310UB, динамики 2х JVC; БК Штат х01
- Откуда: Саранск, Мордовия
- Благодарил (а): 15 раз
- Поблагодарили: 2 раза
Re: Непонятки с сигой
Нет, я с вопросами по машине форум достану в любом случаеRandall писал(а):есть сомнения, что отпишешься?Tazik писал(а):позже отпишусь, насчет этого есть сомнения.
- Randall
- Модератор

- Сообщения: 12462
- Зарегистрирован: Пт сен 11, 2009 11:38:34
- Модель авто: Ford Fusion 2011г.в., 1596к.см., 16V, МКПП-5.
- Тип двигателя: Инжекторный
- Откуда: Донецк!!! Передовая.
- Благодарил (а): 373 раза
- Поблагодарили: 960 раз
- Контактная информация:
Re: Непонятки с сигой
Та хто ж спорит? Просто написал он хитро... Не поймешь, в чем именно он сомневается: в том, что работать будет, или в том, что сам отпишется...четвёрковод писал(а):Не у всех же познания в мире полупроводников.
-
Tazik
- Начинающий классиковод

- Сообщения: 123
- Зарегистрирован: Вт май 11, 2010 17:27:28
- Модель авто: ВАЗ21074i, 2008 г.в. ; сига Pantera XS2000, электрозамок багажника; ПТФ от 2108; магнитола Pioneer DEH 5310UB, динамики 2х JVC; БК Штат х01
- Откуда: Саранск, Мордовия
- Благодарил (а): 15 раз
- Поблагодарили: 2 раза
Re: Непонятки с сигой
по схеме у меня в инструкции кнопку сбережет предохранительчетвёрковод писал(а):Tazik
Его схема кнопку сбережёт, но работать и так будет. Ты почитай инструкцию, запрограммируй функцию
- четвёрковод
- Модератор

- Сообщения: 14746
- Зарегистрирован: Пт янв 01, 2010 1:32:37
- Модель авто: при.лада
- Тип двигателя: Инжекторный
- Откуда: 57
- Благодарил (а): 215 раз
- Поблагодарили: 1439 раз
Re: Непонятки с сигой
Tazik
Ну это от модели кнопки зависит.
Отсоедини розовый провод, и подай на реле, кратковременно, минус, откроется?
Ну это от модели кнопки зависит.
Отсоедини розовый провод, и подай на реле, кратковременно, минус, откроется?
- Randall
- Модератор

- Сообщения: 12462
- Зарегистрирован: Пт сен 11, 2009 11:38:34
- Модель авто: Ford Fusion 2011г.в., 1596к.см., 16V, МКПП-5.
- Тип двигателя: Инжекторный
- Откуда: Донецк!!! Передовая.
- Благодарил (а): 373 раза
- Поблагодарили: 960 раз
- Контактная информация:
Re: Непонятки с сигой
Уважаемый, учите электротехнику! Ибо предохранитель не столько защищает вашу кнопку, сколько бортовую сеть машины от КЗ в вашем отдельновзятом устройстве! А у вашей кнопки со временем банально подгорят контакты...Tazik писал(а):по схеме у меня в инструкции кнопку сбережет предохранитель
Кто сейчас на конференции
Сейчас этот форум просматривают: нет зарегистрированных пользователей и 66 гостей