Вопросы про вентилятор охлаждения двигателя
- Антон80
- Модератор

- Сообщения: 47856
- Зарегистрирован: Сб окт 09, 2010 15:16:45
- Модель авто: Chevrolet AVEO 2005, 1.5
- Тип двигателя: Инжекторный
- Откуда: Украина, Кременчуг
- Благодарил (а): 1517 раз
- Поблагодарили: 3794 раза
Re: ЭлектроВентилятор
А вот в какое бы такое удобное место присобачить тумблер (кнопку) принудительного включения вентилятора? В пятерке?
- Nikolay_Ufa
- Начинающий классиковод

- Сообщения: 106
- Зарегистрирован: Ср апр 27, 2011 11:08:32
- Модель авто: ВАЗ-21074i
- Тип двигателя: Инжекторный
- Откуда: р.Башкортостан г.Уфа
- Благодарил (а): 8 раз
Не работает карлысон!
собственно в последнее время заметил, что перестал работать карлысон, раньше когда стрелка было перпендикулярно, он время от время включался и температура падала, но в последнее время он вообще перестал включаться, когда температура почти доходит до критическое отметки, он все равно не включается, уже до того дошло, что приходится делать остановки и ждать когда остынет двигатель, т.к перегревать не шибко хочется.
извиняюсь если расплодил опять повторную тему, но просто не хочется долго искать нужную тему.
в чем может быть проблема? знаю точно что не в предохранителе, ибо недавно комплектом менял.
заранее спасибо!
ах да забыл уточнить, двигатель 1.6 карб.
извиняюсь если расплодил опять повторную тему, но просто не хочется долго искать нужную тему.
в чем может быть проблема? знаю точно что не в предохранителе, ибо недавно комплектом менял.
заранее спасибо!
ах да забыл уточнить, двигатель 1.6 карб.
- Shvarzneger
- Мега-классиковод

- Сообщения: 750
- Зарегистрирован: Чт дек 24, 2009 10:57:36
- Модель авто: ВАЗ-21074, 2003г., 1,6 карб. 5МКПП, БСЗ, генератор 80А, тормоза от десятки.
- Откуда: Всероссийкая кузница - Кузбасс
- Благодарил (а): 21 раз
- Поблагодарили: 19 раз
Re: Не работает карлысон!
Датчик включения карлсона меняй. Можешь ещё принудительное включение в салон вывести.
- Nikolay_Ufa
- Начинающий классиковод

- Сообщения: 106
- Зарегистрирован: Ср апр 27, 2011 11:08:32
- Модель авто: ВАЗ-21074i
- Тип двигателя: Инжекторный
- Откуда: р.Башкортостан г.Уфа
- Благодарил (а): 8 раз
Re: Не работает карлысон!
об этом тоже задумывался, но вопрос стоял, а сложно ли это установить самому, с слабыми познаниями в электрике?Shvarzneger писал(а):Датчик включения карлсона меняй. Можешь ещё принудительное включение в салон вывести.
- Shvarzneger
- Мега-классиковод

- Сообщения: 750
- Зарегистрирован: Чт дек 24, 2009 10:57:36
- Модель авто: ВАЗ-21074, 2003г., 1,6 карб. 5МКПП, БСЗ, генератор 80А, тормоза от десятки.
- Откуда: Всероссийкая кузница - Кузбасс
- Благодарил (а): 21 раз
- Поблагодарили: 19 раз
Re: Не работает карлысон!
http://car-exotic.com/vaz-cars/vaz-lada ... ine-3.html
Вот тебе мурзилка. Ничего сложного нет.
Вот тебе мурзилка. Ничего сложного нет.
- Nikolay_Ufa
- Начинающий классиковод

- Сообщения: 106
- Зарегистрирован: Ср апр 27, 2011 11:08:32
- Модель авто: ВАЗ-21074i
- Тип двигателя: Инжекторный
- Откуда: р.Башкортостан г.Уфа
- Благодарил (а): 8 раз
Электровентилятор заскрипел
Случилась такая проблема. Заскрипел электровентилятор обдува двигателя. Можно ли поменять в нем подшипник или придется покупать новый моторчик?
- рустем
- Модератор

- Сообщения: 11728
- Зарегистрирован: Ср фев 17, 2010 18:10:56
- Модель авто: семёрка,все остальное в моей теме
- Тип двигателя: Карбюраторный
- Откуда: город трех шурупов
- Благодарил (а): 120 раз
- Поблагодарили: 1342 раза
Re: Электровентилятор заскрипел
РОМАНЫЧ
разобрать,осмотреть,смазать.Поможет-хорошо,не поможет-ф топку его
разобрать,осмотреть,смазать.Поможет-хорошо,не поможет-ф топку его
- Митяй
- Классиковод

- Сообщения: 281
- Зарегистрирован: Вс фев 20, 2011 15:52:22
- Модель авто: ВАЗ 21053
- Откуда: Нижегородская область п.Сосновское
- Благодарил (а): 8 раз
- Поблагодарили: 2 раза
Re: Электровентилятор заскрипел
не включается у меня вентилятор никак! Ну если напрямую от аккумулятора проводками соединить,то работает! А сам не включается
Что это может быть? контакты вроде везде в норме
Что это может быть? контакты вроде везде в норме
- Zayec
- Вечная Память!

- Сообщения: 5754
- Зарегистрирован: Пт окт 30, 2009 20:26:27
- Модель авто: ВАЗ-21074, 2002 г.в., ПТФ, БСЗ, парктроник, Си-Би (ALAN 78+, антенна LEMM)
- Тип двигателя: Карбюраторный
- Откуда: Рязань
- Благодарил (а): 77 раз
- Поблагодарили: 300 раз
Re: Электровентилятор заскрипел
Напрямую - эт хорошо. Значит моторчик цел. А если провода датчика замкнуть, проверить предохранитель, разъём вентилятора?
-
NikVE
- Классический Профи-Гуру

- Сообщения: 1307
- Зарегистрирован: Пн авг 25, 2008 9:20:52
- Модель авто: ВАЗ 2107, 2005 гв. Двиг 03, карб, БКСЗ, 4-х ступка, пробег 40 ткм
- Откуда: Омск
- Благодарил (а): 10 раз
- Поблагодарили: 7 раз
Re: Электровентилятор заскрипел
термодатчик накрылся. Закоротить надо выводы отверткой - если заработает - накрылся (если при температуре под 90 гр не включается).
- takltape
- Ученик

- Сообщения: 9
- Зарегистрирован: Вт июн 07, 2011 13:21:30
- Модель авто: 2107 сток, пока что)
- Откуда: Республика Коми, г.Вуктыл
- Контактная информация:
Re: Не работает вентилятор охлаждения.
Привет товарищи! у меня необычная ситуация) поставил новый монтажный блок, замыкаю провода от датчика температуры, вентилятор не вкл, реле не щелкает. Самое главное что щелкало при старом блоке, щелкало, но не вкл вентилятор. На старом блоке вент работал и странным образом перестал. В прошлый раз мне помогла полная разборка и сборка (блока и подключение проводов заного), ничего более. В этот раз не помогла. Кстати, старый блок был еще на круглых таких предохранителях, новый на плоских (классных). Так вот, помогло мне только подключение нового (лишнего) провода от датчика к питанию вент-ра (только на плюс). И еще, на новом блоке есть железка угловатая вместо реле, и вент постоянно работает, т.е. если замыкаю реле руками он вкл. Такое ощущение что новый блок по другому устроен. На такой схеме, с лишним проводом, думаю плохо ездить... Надо сделать как положено))) Есть идеи?
- гость
- Прописан на semerka.info
- Сообщения: 33880
- Зарегистрирован: Ср июн 23, 2010 14:17:24
- Модель авто: сьомака з Британських Віргінських островів
- Тип двигателя: Карбюраторный
- Откуда: нынешняя столица UA, а родом - из первой
- Благодарил (а): 2189 раз
- Поблагодарили: 2287 раз
Re: Не работает вентилятор охлаждения.
takltape
Кури форум, твой вопрос освещен наилучшим образом образом.
Кури форум, твой вопрос освещен наилучшим образом образом.
- takltape
- Ученик

- Сообщения: 9
- Зарегистрирован: Вт июн 07, 2011 13:21:30
- Модель авто: 2107 сток, пока что)
- Откуда: Республика Коми, г.Вуктыл
- Контактная информация:
Re: Не работает вентилятор охлаждения.
А разве эта тема не о моей проблеме? а форум пошел смотреть))) раз есть.
- byran
- Отец русского классиководства

- Сообщения: 2931
- Зарегистрирован: Сб июл 11, 2009 6:21:12
- Модель авто: 2107 90 г.в был, Opel Vivaro 1,9 cdti стал...+ ВАЗ 2101 1976г.в. для души))
- Тип двигателя: Карбюраторный
- Откуда: Львов, Броды
- Благодарил (а): 93 раза
- Поблагодарили: 88 раз
- Контактная информация:
Re: Вентилятор охлаждения двигателя
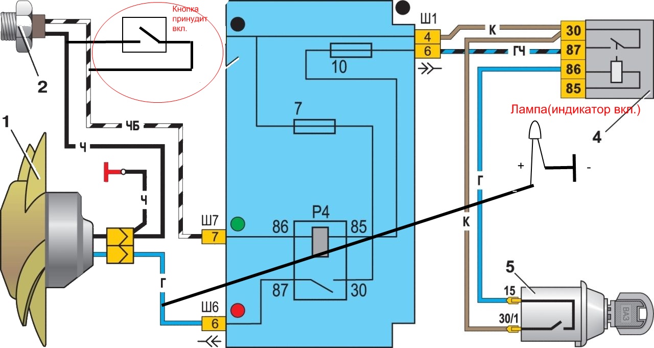
Народ, помогите с установкой индикатора и кнопки принудительного включения! Вот имея схему, черкните пожалста где и как вклиниваться в ту цепь? спб
- Буйный
- Генерал автомобильных войск semerka.info

- Сообщения: 42219
- Зарегистрирован: Чт дек 11, 2008 17:11:37
- Модель авто: Приора-универсал. Был весь ряд «классики».
- Тип двигателя: Инжекторный
- Откуда: Краснодарский край, г.Хадыженск
- Благодарил (а): 2722 раза
- Поблагодарили: 5096 раз
Re: Вентилятор охлаждения двигателя
byran Тумблер(клавиша) должна соединять чёрный и чёрно - белый провода, идущие от датчега включения вента на радиаторе, напрямую между собой. Датчик не отключать! Просто врезаться в указанные провода. Клавишу поставь с лампочкой, которая при включении загорается.
- byran
- Отец русского классиководства

- Сообщения: 2931
- Зарегистрирован: Сб июл 11, 2009 6:21:12
- Модель авто: 2107 90 г.в был, Opel Vivaro 1,9 cdti стал...+ ВАЗ 2101 1976г.в. для души))
- Тип двигателя: Карбюраторный
- Откуда: Львов, Броды
- Благодарил (а): 93 раза
- Поблагодарили: 88 раз
- Контактная информация:
Re: Вентилятор охлаждения двигателя
Походу если на прямую надо очень сильный тумблер по ампертражу, мин 14А, а как бы сделать через релюшку и отдельно свето-диод(как сигнал) что вентилятор включен. Включен вентеть, диод горит, выключен, не горит....Буйный писал(а):Тумблер(клавиша) должна соединять чёрный и чёрно - белый провода
- Буйный
- Генерал автомобильных войск semerka.info

- Сообщения: 42219
- Зарегистрирован: Чт дек 11, 2008 17:11:37
- Модель авто: Приора-универсал. Был весь ряд «классики».
- Тип двигателя: Инжекторный
- Откуда: Краснодарский край, г.Хадыженск
- Благодарил (а): 2722 раза
- Поблагодарили: 5096 раз
Re: Вентилятор охлаждения двигателя
byran писал(а):Походу если на прямую надо очень сильный тумблер по ампертражу, мин 14А,
Вот и всё.Буйный писал(а): Клавишу поставь с лампочкой, которая при включении загорается.
- byran
- Отец русского классиководства

- Сообщения: 2931
- Зарегистрирован: Сб июл 11, 2009 6:21:12
- Модель авто: 2107 90 г.в был, Opel Vivaro 1,9 cdti стал...+ ВАЗ 2101 1976г.в. для души))
- Тип двигателя: Карбюраторный
- Откуда: Львов, Броды
- Благодарил (а): 93 раза
- Поблагодарили: 88 раз
- Контактная информация:
Re: Вентилятор охлаждения двигателя
Буйный писал(а):Реле Р4 , надеюсь, у тебя установлено?
лампа в таком режиме будет гореть всегда когда будет включен вентиль, и даже когда не включая кнопкой принудительный пуск!?Буйный писал(а):Клавишу поставь с лампочкой, которая при включении загорается.
Вот и всё.
- Буйный
- Генерал автомобильных войск semerka.info

- Сообщения: 42219
- Зарегистрирован: Чт дек 11, 2008 17:11:37
- Модель авто: Приора-универсал. Был весь ряд «классики».
- Тип двигателя: Инжекторный
- Откуда: Краснодарский край, г.Хадыженск
- Благодарил (а): 2722 раза
- Поблагодарили: 5096 раз
Re: Вентилятор охлаждения двигателя
byran Это зависит от того, как ты её подключишь. Как вариант, подсоедини параллельно э/двигу (или в любую точку схемы, туда где появляется напруга после включения клавиши, чёрный провод, голубой) лампочку/диод - и в салон её, под глаза 
- byran
- Отец русского классиководства

- Сообщения: 2931
- Зарегистрирован: Сб июл 11, 2009 6:21:12
- Модель авто: 2107 90 г.в был, Opel Vivaro 1,9 cdti стал...+ ВАЗ 2101 1976г.в. для души))
- Тип двигателя: Карбюраторный
- Откуда: Львов, Броды
- Благодарил (а): 93 раза
- Поблагодарили: 88 раз
- Контактная информация:
Re: Вентилятор охлаждения двигателя
Что если подключить вот так: Кнопку и лампу когда вкл. електродвигатель?Буйный писал(а):Это зависит от того, как ты её подключишь.
- рустем
- Модератор

- Сообщения: 11728
- Зарегистрирован: Ср фев 17, 2010 18:10:56
- Модель авто: семёрка,все остальное в моей теме
- Тип двигателя: Карбюраторный
- Откуда: город трех шурупов
- Благодарил (а): 120 раз
- Поблагодарили: 1342 раза
Re: Вентилятор охлаждения двигателя
byranbyran писал(а):Что если подключить вот так: Кнопку и лампу когда вкл. електродвигатель?
я подключал лампочку(так как на твоей схеме),для лампочки использовал блок индикации,который установлен на бороде(ручник и обогрев заднего стекла).Взял такой же блок,установил его вместо заглушки на бороде слева(там для инжекторных машин блок индикации ставится(чек энжин и непристегнутый ремень).Подключил к индикатору обогрева заднего стекла,он оранжевый,кстати,а к красному(от ручника) можно присобачить индикацию принудительного включения вентилятора
- byran
- Отец русского классиководства

- Сообщения: 2931
- Зарегистрирован: Сб июл 11, 2009 6:21:12
- Модель авто: 2107 90 г.в был, Opel Vivaro 1,9 cdti стал...+ ВАЗ 2101 1976г.в. для души))
- Тип двигателя: Карбюраторный
- Откуда: Львов, Броды
- Благодарил (а): 93 раза
- Поблагодарили: 88 раз
- Контактная информация:
Re: Вентилятор охлаждения двигателя
спб, я тоже думал об етих лампочках в бороде! туда и буду лепить...

а можешь сделать небольшую зарисовку как ето проделать по лучше!? мне зарисовка легче понимаетсярустем писал(а):а к красному(от ручника) можно присобачить индикацию принудительного включения вентилятора
Кто сейчас на конференции
Сейчас этот форум просматривают: нет зарегистрированных пользователей и 21 гость

