Ну тут да.. Смотря что называть контруклоном. Я думал, что ты имеешь ввиду, что вода течет из-за уклона. Оффтопик: Вечный двигательX-TAZ писал(а):завоздушивание
Отопление дома, квартиры
Модератор: andy
-
Антон80
- Модератор

- Сообщения: 47900
- Зарегистрирован: Сб окт 09, 2010 15:16:45
- Модель авто: Chevrolet AVEO 2005, 1.5
- Тип двигателя: Инжекторный
- Откуда: Украина, Кременчуг
- Благодарил (а): 1501 раз
- Поблагодарили: 3737 раз
Re: Отопление дома, квартиры
-
X-TAZ
- Гуру теплотехники :)
- Сообщения: 22028
- Зарегистрирован: Вс окт 10, 2010 18:36:03
- Модель авто: ваз-2105, 1985 г.в. БСЗ, бензин. 5 лет на зимней резине катал не снимая!!! уже снял.
- Тип двигателя: Карбюраторный
- Откуда: Днепр. обл
- Благодарил (а): 2924 раза
- Поблагодарили: 880 раз
Re: Отопление дома, квартиры
Контруклон - это уклон не в ту сторону куда нада.... тоесть неправильный уклон, из-за которого в системе получается завоздушивание, от которого отсутствует циркуляция теплоносителя! .. вот...Антон80 писал(а):Ну тут да.. Смотря что называть контруклоном. Я думал, что ты имеешь ввиду, что вода течет из-за уклона.
-
Alex**
- Коренной форумчанин :)
- Сообщения: 3157
- Зарегистрирован: Ср авг 17, 2011 16:51:50
- Модель авто: ВАЗ-21074 , 99 г.в.дв.1.6, МКПП-5, БСЗ ,карб.Озон-2105, мурена , тон. круг., эл.замок багажника,евроручки Тюн-Авто
- Тип двигателя: Карбюраторный
- Откуда: 52 rus Г.Урень
- Благодарил (а): 152 раза
- Поблагодарили: 174 раза
Re: Отопление дома, квартиры
Антон80 писал(а):а выход из котла? Он же вертикально вверх идет!
Всё верно Антох... Как только горячая вода упирается в контруклон , тоесть то место , где угол наклона трубы поднимается чуть выше прежнего. Котёл тут же начинает закипать , и только кипением может продавить систему дальше. А когда все углы соблюдены , то он может закипеть только в случае прогрева обратки у котла до 100 гс.Антон80 писал(а):Зачем уклон?
-
Антон80
- Модератор

- Сообщения: 47900
- Зарегистрирован: Сб окт 09, 2010 15:16:45
- Модель авто: Chevrolet AVEO 2005, 1.5
- Тип двигателя: Инжекторный
- Откуда: Украина, Кременчуг
- Благодарил (а): 1501 раз
- Поблагодарили: 3737 раз
Re: Отопление дома, квартиры
Alex**
Хорошо, согласен.
Я же квартире живу..
У меня в квартире одна батарея на на металлопластиковой трубе к стояку подключена. Говорят, что нельзя, ведь несколько атмосфер
И в ванной все трубы металлопластиковые в стену вмурованы. Вот думаю, какой их срок службы? Не труб, конечно, а резинок всяких?
Хорошо, согласен.
У меня в квартире одна батарея на на металлопластиковой трубе к стояку подключена. Говорят, что нельзя, ведь несколько атмосфер
И в ванной все трубы металлопластиковые в стену вмурованы. Вот думаю, какой их срок службы? Не труб, конечно, а резинок всяких?
-
гость
- Прописан на semerka.info
- Сообщения: 33880
- Зарегистрирован: Ср июн 23, 2010 14:17:24
- Модель авто: сьомака з Британських Віргінських островів
- Тип двигателя: Карбюраторный
- Откуда: нынешняя столица UA, а родом - из первой
- Благодарил (а): 2141 раз
- Поблагодарили: 2211 раз
Re: Отопление дома, квартиры
JET, вот исходя из чего в твоем случае надо принимать решение о целесообразности переделки системы из однотрубной разводки в двухтрубную.
Самый важный комплексный показатель эффективности работы системы отопления - это температура обратки, при прочих равных условиях. Разность температуры подачи и обратки должна быть хотя бы градусов 30 для системы отопления здания (с частными домами я не был связан по роду деятельности, но принцип тот же).
ЗЫ. Интересно было бы глянуть, где на самОм радиаторе у тебя вход и выход. Т.е., расшифровать сам прямоугольник "теплообменник" на схеме.
Самый важный комплексный показатель эффективности работы системы отопления - это температура обратки, при прочих равных условиях. Разность температуры подачи и обратки должна быть хотя бы градусов 30 для системы отопления здания (с частными домами я не был связан по роду деятельности, но принцип тот же).
ЗЫ. Интересно было бы глянуть, где на самОм радиаторе у тебя вход и выход. Т.е., расшифровать сам прямоугольник "теплообменник" на схеме.
-
гость
- Прописан на semerka.info
- Сообщения: 33880
- Зарегистрирован: Ср июн 23, 2010 14:17:24
- Модель авто: сьомака з Британських Віргінських островів
- Тип двигателя: Карбюраторный
- Откуда: нынешняя столица UA, а родом - из первой
- Благодарил (а): 2141 раз
- Поблагодарили: 2211 раз
Re: Отопление дома, квартиры
О, вот это то, о чем я спрашивал.JET писал(а): И еще, вход и выход в теплообменнике снизу.
-
гость
- Прописан на semerka.info
- Сообщения: 33880
- Зарегистрирован: Ср июн 23, 2010 14:17:24
- Модель авто: сьомака з Британських Віргінських островів
- Тип двигателя: Карбюраторный
- Откуда: нынешняя столица UA, а родом - из первой
- Благодарил (а): 2141 раз
- Поблагодарили: 2211 раз
Re: Отопление дома, квартиры
Это зависит и от того, на каком этаже ты стоишьСусанин писал(а): вот у меня щас за спиной батарея - подвод - 3/4, обход 1/2
-
дим 99
- Коренной форумчанин :)
- Сообщения: 3675
- Зарегистрирован: Ср окт 12, 2011 11:55:08
- Модель авто: 2101 82 г.р.
- Тип двигателя: Карбюраторный
- Откуда: Донбасс
- Благодарил (а): 106 раз
- Поблагодарили: 155 раз
Re: Отопление дома, квартиры
Внесу и я свои фоты
Отопление 2-ух трубное на 2 котла 1 газ, 2-рой -дрова.
Передача тепла пол дома батареи, старая часть дома трубы диам 2 дюйма-метал. Все батареи чугуные б\у. 4, 5, 7,9, секций.
Отопление 2-ух трубное на 2 котла 1 газ, 2-рой -дрова.
Передача тепла пол дома батареи, старая часть дома трубы диам 2 дюйма-метал. Все батареи чугуные б\у. 4, 5, 7,9, секций.
У вас нет необходимых прав для просмотра вложений в этом сообщении.
-
олежек
- Прописан на semerka.info
- Сообщения: 14346
- Зарегистрирован: Вт окт 21, 2008 7:43:05
- Модель авто: ваз 217030 (люкс), ваз 21074-20 инж. (теперь у отца, почти со всеми доработками).
- Тип двигателя: Инжекторный
- Откуда: г. Таганрог
- Благодарил (а): 385 раз
- Поблагодарили: 840 раз
Re: Отопление дома, квартиры
zalex писал(а):Тут кстати речь шла об окнах. Подкину и свои пять копеех. Когда встал вопрос о замене окон, мы решили заказать деревянные. Скажу так: я не пожалел. Заказал у местного умельца девять оконных блоков, обрабатывал и стеклил сам долгими зимними вечерами, пропитки и герметика не жалел. Итог на фото - за окном -17, дома +23, ни инея, ни воды на окне нет, из окон не сквозит даже в силиный ветер.
просто тема из погоды перешла к батареям ей чикнул сюда...гость писал(а):не совсем понял ситуацию, какой-то вырванный откуда то кусок темы наблюдаю.
отличные батареи, у мну тоже таких пара стоит! Рустем у тебя частный дом?? или квартира, смутил металло-пластик если я правильно рассмотрел егорустем писал(а):Нашел доки - Производитель "РИФАР", г.Гай Оренбургской области
низяАнтон80 писал(а):У меня в квартире одна батарея на на металлопластиковой трубе к стояку подключена. Говорят, что нельзя,
-
zalex
- Прописан на semerka.info
- Сообщения: 9257
- Зарегистрирован: Ср июл 14, 2010 12:23:48
- Модель авто: Haval Jolion, М.Н.С., 2024 г.в., Магматический красный; Haval F7, Дядя Федор, 2022 г.в., Аквамарин; LADA219470, Ягода в шоколаде, 2020 г.в., – продана.
- Тип двигателя: Инжекторный
- Откуда: г. Елец, 48 rus
- Благодарил (а): 824 раза
- Поблагодарили: 1707 раз
Re: Отопление дома, квартиры
олежек писал(а):линейное расширение материалов
В части металлопластика соглашусь. У самого на отоплении металл. Для водопровода и гор. и хол. полипропилен мне понравился.
Металлопласик вмуровывать в стенку не отважился бы
-
олежек
- Прописан на semerka.info
- Сообщения: 14346
- Зарегистрирован: Вт окт 21, 2008 7:43:05
- Модель авто: ваз 217030 (люкс), ваз 21074-20 инж. (теперь у отца, почти со всеми доработками).
- Тип двигателя: Инжекторный
- Откуда: г. Таганрог
- Благодарил (а): 385 раз
- Поблагодарили: 840 раз
Re: Отопление дома, квартиры
да, у себя вчерась прикрепил датчик ds1820 цифровой такой на нем собран цифровой же термометр, измерить температуру теплоносителя в своем хрущевском доме, думаю что некой прослойкой из воздуха и немного некорректным в итоге результатом измерений в силу этих условий можно пренебречь, температура около 50 градусов, для пластика думаю что не страшна такая, выше скорее всего в нашем регионе топить не станут, морозы не особо сильные, а порвать трубы наверное будем им дороже, при такой температуре теплоносителя как уже отписывался в квартире температура держится не ниже 20 грудусов, сильно зависит от ветра за окном, все таки потолок всего лишь одна плита, и две внешних довольно длинных стены дают о себе знать, и ни чего по большому счету сделать не могу, ну если не брать во внимание утепление пенопластом с внешней/внутренней стороны квартиры стен, хотя внутри пенопластом не хочу дышать, а снаружи будет накладно шлепать пенопласт и штукатурить...zalex писал(а):Для водопровода и гор. и хол. полипропилен мне понравился.
-
zalex
- Прописан на semerka.info
- Сообщения: 9257
- Зарегистрирован: Ср июл 14, 2010 12:23:48
- Модель авто: Haval Jolion, М.Н.С., 2024 г.в., Магматический красный; Haval F7, Дядя Федор, 2022 г.в., Аквамарин; LADA219470, Ягода в шоколаде, 2020 г.в., – продана.
- Тип двигателя: Инжекторный
- Откуда: г. Елец, 48 rus
- Благодарил (а): 824 раза
- Поблагодарили: 1707 раз
Re: Отопление дома, квартиры
олежек
Я когда свой котел регулировал, использовал термопару мультиметра - плотно примотав ее к трубе, а сверху утеплив шерстяной рукавицей, показания оказались довольно точные
Я когда свой котел регулировал, использовал термопару мультиметра - плотно примотав ее к трубе, а сверху утеплив шерстяной рукавицей, показания оказались довольно точные
-
олежек
- Прописан на semerka.info
- Сообщения: 14346
- Зарегистрирован: Вт окт 21, 2008 7:43:05
- Модель авто: ваз 217030 (люкс), ваз 21074-20 инж. (теперь у отца, почти со всеми доработками).
- Тип двигателя: Инжекторный
- Откуда: г. Таганрог
- Благодарил (а): 385 раз
- Поблагодарили: 840 раз
Re: Отопление дома, квартиры
ну да, я тоже так думаю что не особо разница будет если на пример датчик внедрить в радиатор как на машинах...zalex писал(а):Я когда свой котел регулировал, использовал термопару мультиметра - плотно примотав ее к трубе, а сверху утеплив шерстяной рукавицей, показания оказались довольно точные
-
Zayec
- Вечная Память!

- Сообщения: 5754
- Зарегистрирован: Пт окт 30, 2009 20:26:27
- Модель авто: ВАЗ-21074, 2002 г.в., ПТФ, БСЗ, парктроник, Си-Би (ALAN 78+, антенна LEMM)
- Тип двигателя: Карбюраторный
- Откуда: Рязань
- Благодарил (а): 77 раз
- Поблагодарили: 299 раз
Re: Отопление дома, квартиры
Хотел бы поделиться некоторыми мыслями. Вспомнилось, что при разном атмосферном давлении температура кипения разная. Поэтому в горах, высоко над уровнем моря не происходит автоотключение электрочайника - вода закипает при меньшей температуре, а "отключалка" этого не понимает, так как заточена под 100 град.Zayec писал(а):Alex** писал(а):
типа чем больше столб в расширителе , тем быстрее будет прогреваться круг системы. Это в самом деле так.
Не могу вкурить физику процесса. Можете объяснить?
Ну, вот, допустим, что этот газовый баллон в качестве расширительного бака имеет высоту 1,0 м. А что с того? Во-первых, это даёт нам прибавку всего лишь 0,1 кгс/м2 в СИСТЕМЕ, т.е. не должно влиять на скорость обращения воды по трубам - просто давит и всё. Во-вторых, даже если это и каким-то образом всё же повышает точку закипания, то котлу-то это пофиг. Ведь если датчик автоматики выключает газ при 80 град., то какие бы расширительный баки мы не использовали - СКОРОСТЬ нагрева системы не должна измениться.
Я, кстати, испытывал все три скорости циркуляционного насоса - никакой разницы в эффективности работы отопления. Да так и должно быть, ведь с какой бы скоростью не крутилась вода в системе, газом управляет автоматика и ей это пофиг. Остынет вода до определённой температуры - включит.
-
JET
- Прописан на semerka.info
- Сообщения: 8309
- Зарегистрирован: Чт дек 18, 2008 13:38:18
- Модель авто: BOGDAN 21104
- Тип двигателя: Инжекторный
- Откуда: СССР
- Благодарил (а): 247 раз
- Поблагодарили: 633 раза
Re: Отопление дома, квартиры
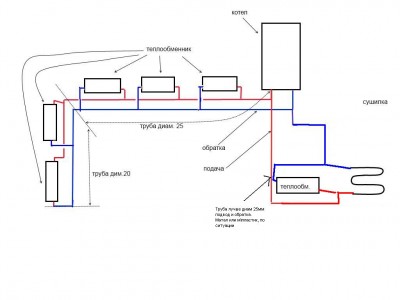
Может на температуру обратки сильно влиять блок батарея-сушилка, подключеный параллельно системе батарей отопления квартиры?
На ранееприведеной схеме справа от котла.
На ранееприведеной схеме справа от котла.
Вот как на картинке.гость писал(а): Интересно было бы глянуть, где на самОм радиаторе у тебя вход и выход. Т.е., расшифровать сам прямоугольник "теплообменник" на схеме.
У вас нет необходимых прав для просмотра вложений в этом сообщении.
-
JET
- Прописан на semerka.info
- Сообщения: 8309
- Зарегистрирован: Чт дек 18, 2008 13:38:18
- Модель авто: BOGDAN 21104
- Тип двигателя: Инжекторный
- Откуда: СССР
- Благодарил (а): 247 раз
- Поблагодарили: 633 раза
Re: Отопление дома, квартиры
Я у себя тоже испытывал.Zayec писал(а):Я, кстати, испытывал все три скорости циркуляционного насоса
Результаты:
1 скорость - недогреваются 2 оконечные батареи (из 6), котел чаще включается и на более продолжительный период.
2 скорость - сейчас стоит, вродь норм.
3 скорость - все батареи недогреваются, обратка очень быстро приходит в котел, котел включается реже и на малый период.
-
дим 99
- Коренной форумчанин :)
- Сообщения: 3675
- Зарегистрирован: Ср окт 12, 2011 11:55:08
- Модель авто: 2101 82 г.р.
- Тип двигателя: Карбюраторный
- Откуда: Донбасс
- Благодарил (а): 106 раз
- Поблагодарили: 155 раз
Re: Отопление дома, квартиры
JET
Буйный правильно написал. Но я добавлю.
1. Если в комнатах тепло.
2. если устраивает расход газа
3. если смотрится красиво.
Если все вышенаписаное в порядке чё тогда мудрить, работает и хорошо.
Но если охото произвести тюнинг отопления, то лучше всего по способу Буйного.
Буйный правильно написал. Но я добавлю.
1. Если в комнатах тепло.
2. если устраивает расход газа
3. если смотрится красиво.
Если все вышенаписаное в порядке чё тогда мудрить, работает и хорошо.
Но если охото произвести тюнинг отопления, то лучше всего по способу Буйного.
-
JET
- Прописан на semerka.info
- Сообщения: 8309
- Зарегистрирован: Чт дек 18, 2008 13:38:18
- Модель авто: BOGDAN 21104
- Тип двигателя: Инжекторный
- Откуда: СССР
- Благодарил (а): 247 раз
- Поблагодарили: 633 раза
Re: Отопление дома, квартиры
дим 99
Эт я понял
Просто уточнить хочу, оставлять блок сушилка-батарея в параллели или в единый круг все сделать?
Эт я понял
Просто уточнить хочу, оставлять блок сушилка-батарея в параллели или в единый круг все сделать?
-
Zayec
- Вечная Память!

- Сообщения: 5754
- Зарегистрирован: Пт окт 30, 2009 20:26:27
- Модель авто: ВАЗ-21074, 2002 г.в., ПТФ, БСЗ, парктроник, Си-Би (ALAN 78+, антенна LEMM)
- Тип двигателя: Карбюраторный
- Откуда: Рязань
- Благодарил (а): 77 раз
- Поблагодарили: 299 раз
Re: Отопление дома, квартиры
JET писал(а):3 скорость - все батареи недогреваются, обратка очень быстро приходит в котел, котел включается реже и на малый период.
Сижу, осмысливаю, почему все батареи недогреваются - вода мимо штоле пролетает? Не дура однако, бежит где легче. У меня три концевые батареи из всего пяти - новые, чистые наверное ещё. Видимо поэтому я особой разницы на третьей скорости не заметил - всё прогревается нормально.
-
JET
- Прописан на semerka.info
- Сообщения: 8309
- Зарегистрирован: Чт дек 18, 2008 13:38:18
- Модель авто: BOGDAN 21104
- Тип двигателя: Инжекторный
- Откуда: СССР
- Благодарил (а): 247 раз
- Поблагодарили: 633 раза
Re: Отопление дома, квартиры
Zayec
Я ХЗ почему так, мож потому что Ленинградка... системе почти 4 года...
На долго на разных скоростях не оставлял... около 2 часов на каждой пробовал... мож если дольше, то норм будет...
Я ХЗ почему так, мож потому что Ленинградка... системе почти 4 года...
На долго на разных скоростях не оставлял... около 2 часов на каждой пробовал... мож если дольше, то норм будет...
-
дим 99
- Коренной форумчанин :)
- Сообщения: 3675
- Зарегистрирован: Ср окт 12, 2011 11:55:08
- Модель авто: 2101 82 г.р.
- Тип двигателя: Карбюраторный
- Откуда: Донбасс
- Благодарил (а): 106 раз
- Поблагодарили: 155 раз
Re: Отопление дома, квартиры
JET
вот я добавил, как лучше на сушилку
вот я добавил, как лучше на сушилку
У вас нет необходимых прав для просмотра вложений в этом сообщении.
-
олежек
- Прописан на semerka.info
- Сообщения: 14346
- Зарегистрирован: Вт окт 21, 2008 7:43:05
- Модель авто: ваз 217030 (люкс), ваз 21074-20 инж. (теперь у отца, почти со всеми доработками).
- Тип двигателя: Инжекторный
- Откуда: г. Таганрог
- Благодарил (а): 385 раз
- Поблагодарили: 840 раз
Re: Отопление дома, квартиры
ты же принудительно только по трубам гоняеш воду, а в радиаторы она исключительно попадает самотеком, из-за разности давления, т.е. в радиаторе остывает вода, на её место поступает горячая, из выхода радиатора должна сливаться холодная подмешиваясь в такую же по сути по температуре воде как и на входе, думается вот на выходе из радиатора как то затык и происходит, а если бы как Толик написал была бы двухтрубная система, то такой бы проблемы не было я так думаю, а еще мне кажется было бы по другому, если бы у тебя ввод в радиатор был бы сверху, а выход с низу, тогда бы горячая выдавливала вниз из радиатора остывшую, мне кажется как то так...JET писал(а):3 скорость - все батареи недогреваются, обратка очень быстро приходит в котел, котел включается реже и на малый период.
-
Alex**
- Коренной форумчанин :)
- Сообщения: 3157
- Зарегистрирован: Ср авг 17, 2011 16:51:50
- Модель авто: ВАЗ-21074 , 99 г.в.дв.1.6, МКПП-5, БСЗ ,карб.Озон-2105, мурена , тон. круг., эл.замок багажника,евроручки Тюн-Авто
- Тип двигателя: Карбюраторный
- Откуда: 52 rus Г.Урень
- Благодарил (а): 152 раза
- Поблагодарили: 174 раза
Re: Отопление дома, квартиры
Zayec писал(а): котлу-то это пофиг. Ведь если датчик автоматики выключает газ при 80 град., то какие бы расширительный баки мы не использовали - СКОРОСТЬ нагрева системы не должна измениться.
-
дим 99
- Коренной форумчанин :)
- Сообщения: 3675
- Зарегистрирован: Ср окт 12, 2011 11:55:08
- Модель авто: 2101 82 г.р.
- Тип двигателя: Карбюраторный
- Откуда: Донбасс
- Благодарил (а): 106 раз
- Поблагодарили: 155 раз
Re: Отопление дома, квартиры
Alex**
Я иногда протапливаю и дровами с углём, котёл какой.
Хороший виадрус, 1,5 года с ним работал. дома стоит кст 16
Я иногда протапливаю и дровами с углём, котёл какой.
Хороший виадрус, 1,5 года с ним работал. дома стоит кст 16